EasyManua.ls Logo

Tormach ATC - TTS ATC Pneumatic Schematic

Default Icon
46 pages
Print Icon
To Next Page IconTo Next Page
To Next Page IconTo Next Page
To Previous Page IconTo Previous Page
To Previous Page IconTo Previous Page
Loading...
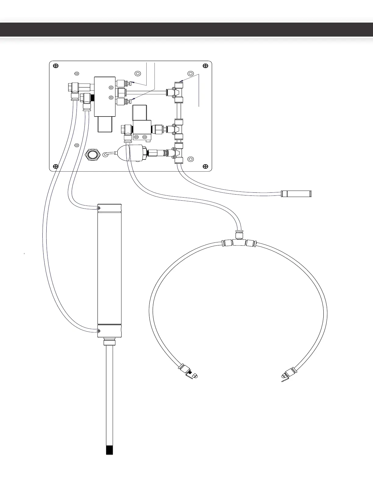
10.5 TTS ATC Pneumatic Schematic
December
, 2012
TTS ATC PNEUMATIC SCHEMATIC
B
A
MAIN AIR IN
Tray In Speed
Tray Out Speed
Tool Tray Air Blast Assembly
Power Drawbar Check Valve
C
A
B
C
Pressure
Sensor
Carousel Cylinder
VFD

42
43
UM10081_TTS_ATC_PCNC1100_1013A UM10081_TTS_ATC_PCNC1100_1013A

Other manuals for Tormach ATC

Related product manuals