EasyManua.ls Logo

Toro 30383 - Schematics

Toro 30383
48 pages
Print Icon
To Next Page IconTo Next Page
To Next Page IconTo Next Page
To Previous Page IconTo Previous Page
To Previous Page IconTo Previous Page
Loading...
Schematics
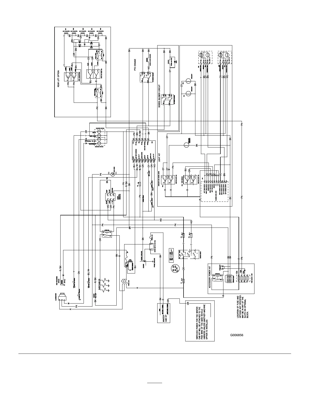
ElectricalSchematic(Rev.A)
46

Table of Contents

Related product manuals