EasyManua.ls Logo

Toro 34230 - Schematics; Electrical Schematic

Toro 34230
88 pages
Print Icon
To Next Page IconTo Next Page
To Next Page IconTo Next Page
To Previous Page IconTo Previous Page
To Previous Page IconTo Previous Page
Loading...
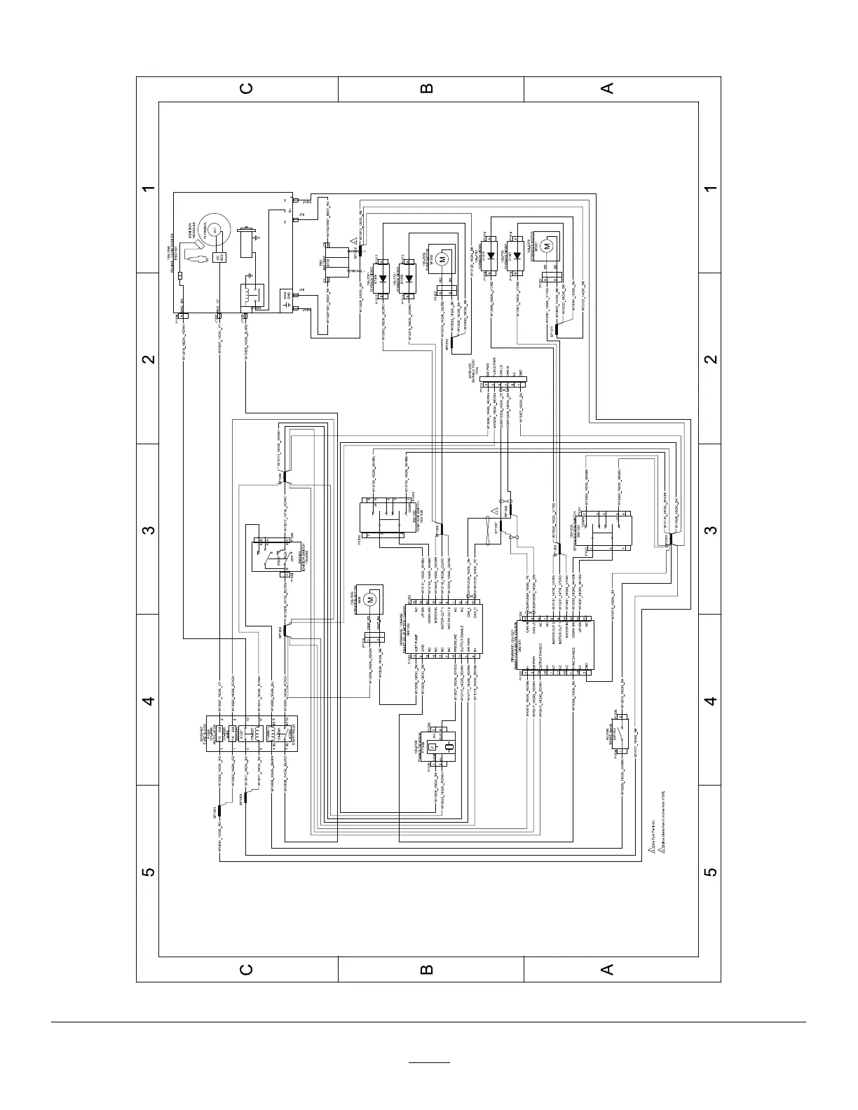
Schematics
g305771
ElectricalSchematic135-6127(Rev.C)
82

Table of Contents

Related product manuals