EasyManua.ls Logo

Toro 72211 - Page 42

Toro 72211
44 pages
Print Icon
To Next Page IconTo Next Page
To Next Page IconTo Next Page
To Previous Page IconTo Previous Page
To Previous Page IconTo Previous Page
Loading...
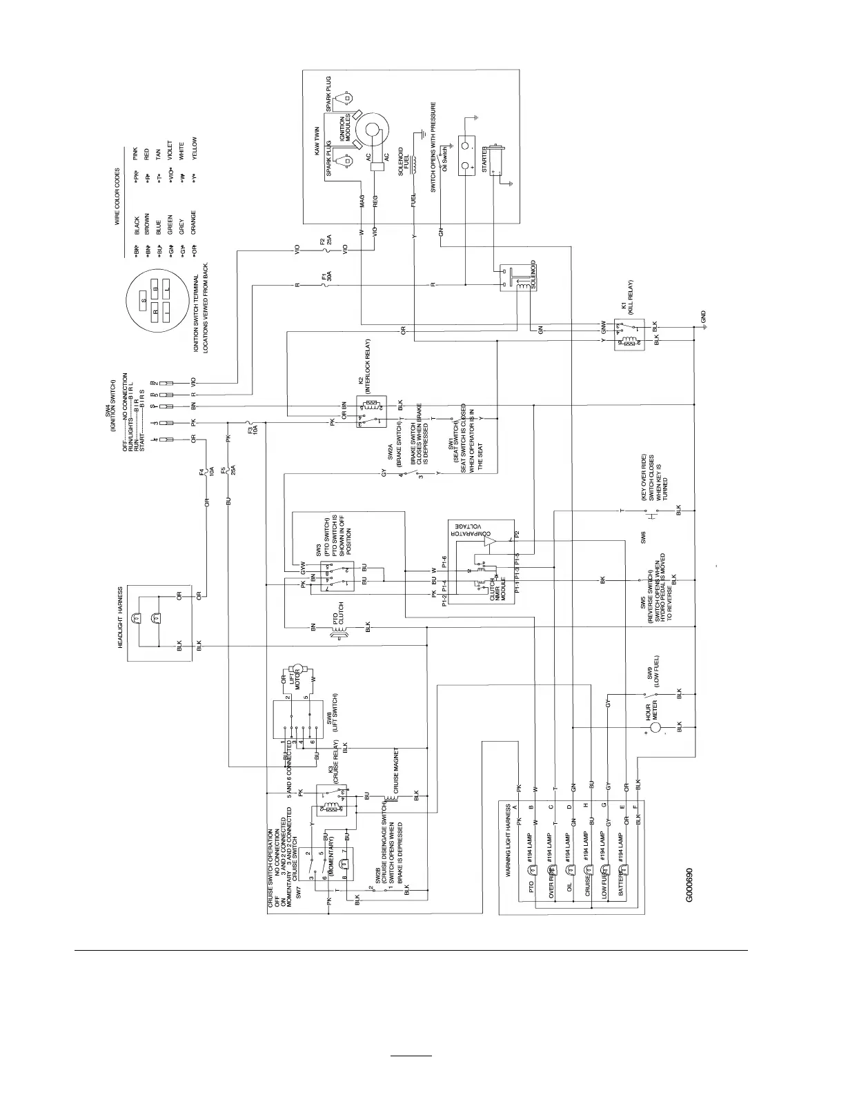
Wiring Schematic (Model 430) (Rev. A)
42

Table of Contents

Related product manuals