EasyManua.ls Logo

Trane GEHE - Tracer ZN510 Wiring Diagrams

Trane GEHE
118 pages
Print Icon
To Next Page IconTo Next Page
To Next Page IconTo Next Page
To Previous Page IconTo Previous Page
To Previous Page IconTo Previous Page
Loading...
Wiring Diagrams
110 WSHP-SVX01L-EN
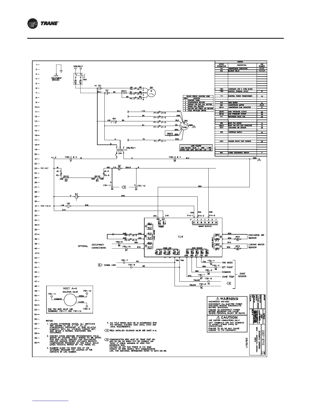
Figure 86. Tracer ZN510-208V - 60 Hz - 1 ph
(a)
(a) Wiring diagrams provided in the catalog are generic. A unit specific As Built wiring diagram is located on the unit control panel.

Table of Contents

Related product manuals