EasyManua.ls Logo

Trilogy Communications Commander - Telos ONE Alignment Procedure

Default Icon
81 pages
Print Icon
To Next Page IconTo Next Page
To Next Page IconTo Next Page
To Previous Page IconTo Previous Page
To Previous Page IconTo Previous Page
Loading...
Commander Installation Guide
Trilogy Communications Limited Page 57 of 81
Issue 9.1
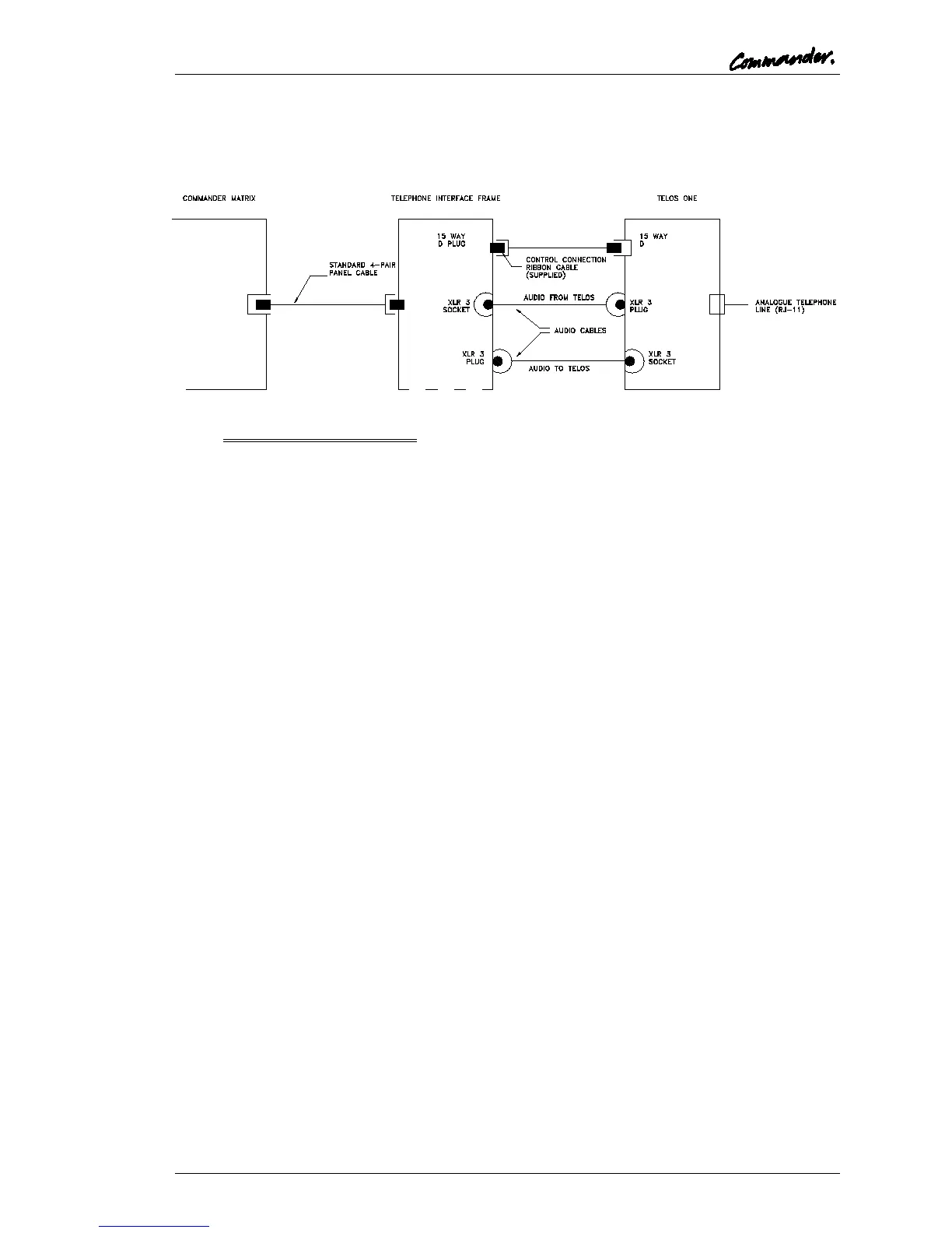
7.2.1 TELOS ONE ALIGNMENT
The level adjustment of the Telos ONE hybrid unit is fairly critical. Slight variations can cause
the unit to fail to initiate outgoing calls. The usual symptom will be failure to break the dial-
tone when pressing keys on the dial-pad of a Trilogy panel. All units supplied via Trilogy are
factory tested but this cannot take account of variations in local telephone lines and
switchboards. To quickly re-align the levels, use the LED array on the front of the Telos unit.
To adjust the outgoing level:
Initiate an outgoing call from a control panel equipped with a dial-pad, such that dialling
tone can be heard on the panel loudspeaker.
Press and hold a key on the dial pad, so that the DTMF tone is heard.
Select the in/out monitor switch on the Telos to “in”.
Adjust the multi-turn control labelled “Gain In” so that the 0 level LED is just illuminated.
This is the last green LED: the red LED should not be lit.
To adjust the incoming level:
Call the Telos hybrid from another telephone line (e.g a mobile phone).and pick up the
call.
Select the in/out monitor switch on the Telos to “out”.
While the line is active, press a key on the other telephone so that the DTMF tone is
heard.
Adjust the multi-turn control labelled “Gain Out” so that the 0 level LED is just illuminated.
This is the last green LED: the red LED should not be lit.
Trilogy recommends that these levels be checked from time to time, to ensure that the Telos
hybrids remain correctly aligned.
NOTE: The Telos hybrid has an intelligent dimming circuit built into the unit, therefore we
recommend that the port assigned to the telephone hybrid from the PathFinder GUI is set to
0dB dimming. Please refer to the PathFinder User Guide for more information.

Table of Contents