EasyManua.ls Logo

Universal Audio Apollo SOLO - Hardware Block Diagram

Universal Audio Apollo SOLO
144 pages
Print Icon
To Next Page IconTo Next Page
To Next Page IconTo Next Page
To Previous Page IconTo Previous Page
To Previous Page IconTo Previous Page
Loading...
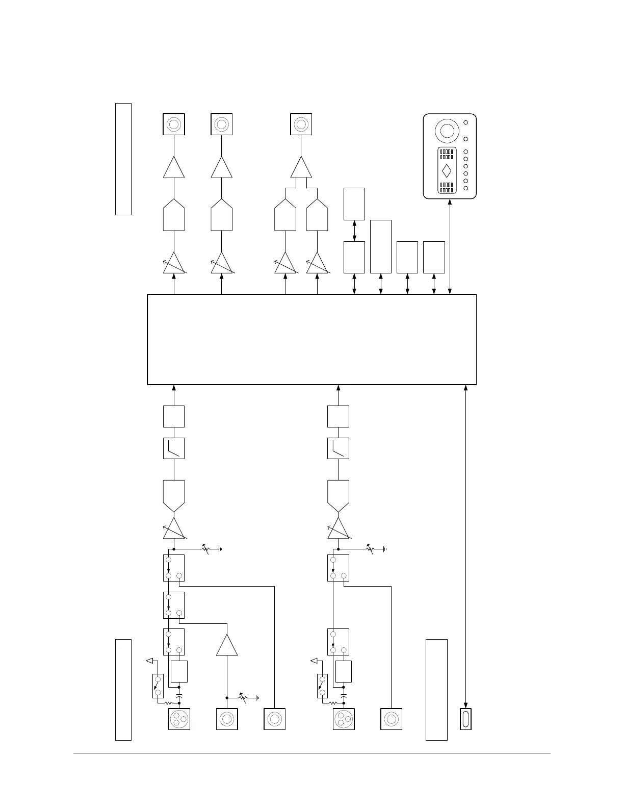
Apollo Solo Manual Hardware Block Diagram 127
Hardware Block Diagram
Apollo Solo Hardware Block Diagram
HI-Z IN
+48V
MIC IN 1
MIC PAD
IN/OUT
+48V ON/OFF
INPUT GAIN
10 – 65 dB
ANALOG INPUTS
PAD
HI-Z/MIC
SELECT
A/D
LINE IN 1
ANALOG OUTPUTS
D/A
MON OUT L
D/A HEADPHONES OUT
SHARC®
DSP
DRAM
ARM®
PROCESSOR
XLR FEMALE
1/4”
1/4” TRS
1/4” TRS
1/4” TRS
MIXER
CLOCKING / SYNC
SYSTEM CONTROL
ø
LOW-CUT
ON/OFF
POLARITY
CONTROL
HI-Z/MIC-LINE
SELECT
FRONT PANEL
THUNDERBOLT 3
TM
HOST INTERFACE
+48V
MIC IN 2
MIC PAD
IN/OUT
+48V ON/OFF
INPUT GAIN
10 – 65 dB
PAD
A/D
XLR FEMALE
LINE IN 2
1/4” TRS
ø
LOW-CUT
ON/OFF
POLARITY
CONTROL
MIC/LINE
SELECT
D/A
EEPROM
TYPE C
Unison™
VARIABLE
IMPEDANCE
Unison™
VARIABLE
IMPEDANCE
(MIC)
Unison™
VARIABLE
IMPEDANCE
(MIC)
OUTPUT
VOLUME
D/A
1/4” TRS
OUTPUT
VOLUME
MON OUT R
FLASH

Table of Contents

Related product manuals