EasyManua.ls Logo

Upright AB46 I - Page 84

Upright AB46 I
148 pages
Print Icon
To Next Page IconTo Next Page
To Next Page IconTo Next Page
To Previous Page IconTo Previous Page
To Previous Page IconTo Previous Page
Loading...
Section
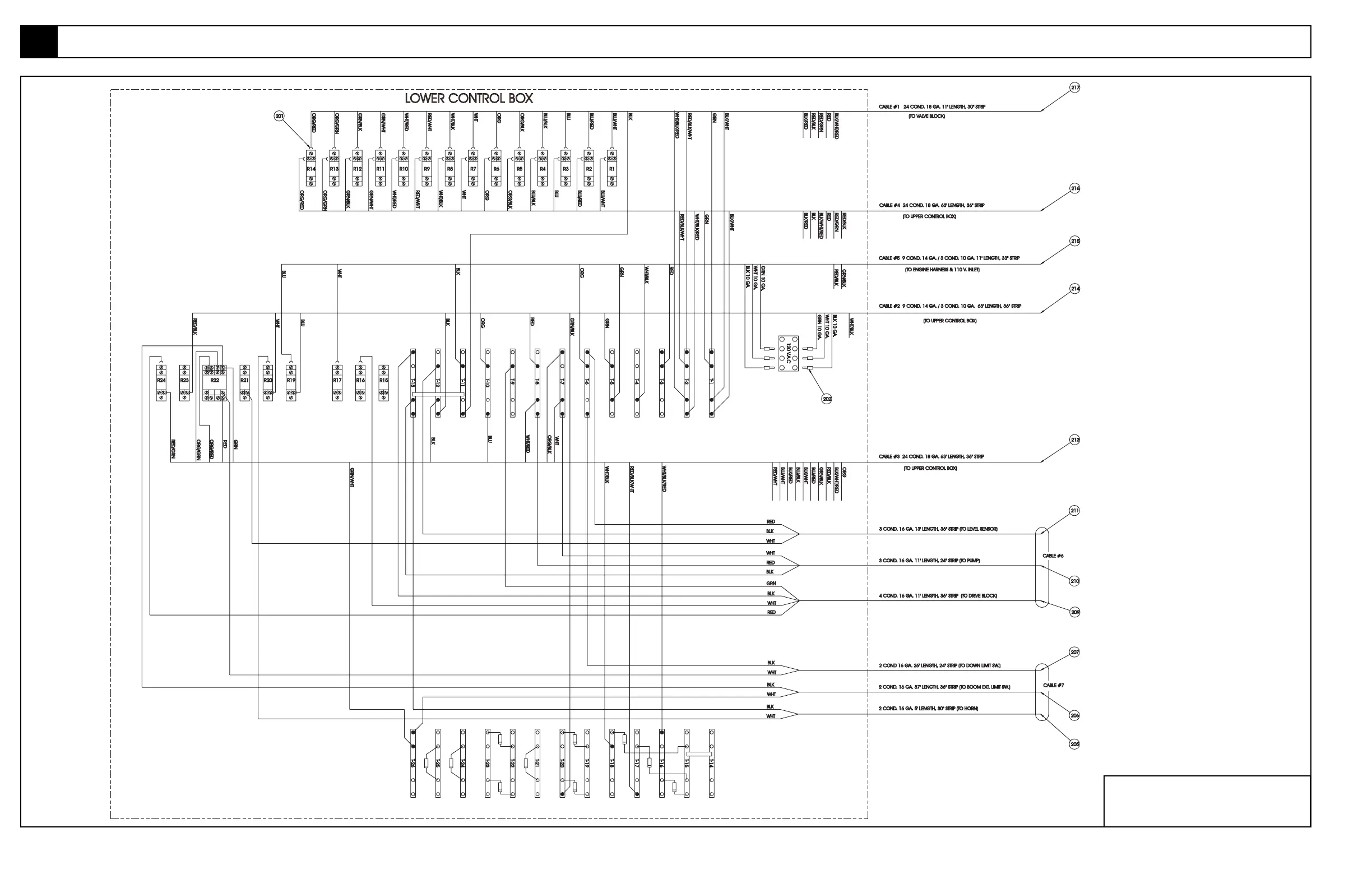
6-10 AB46 Work Platform
6.2
Illustrated Parts Breakdown
6.2
FINAL ASSEMBLY,AB46
DIESEL
DRAWING 2 OF 4

Table of Contents