EasyManua.ls Logo

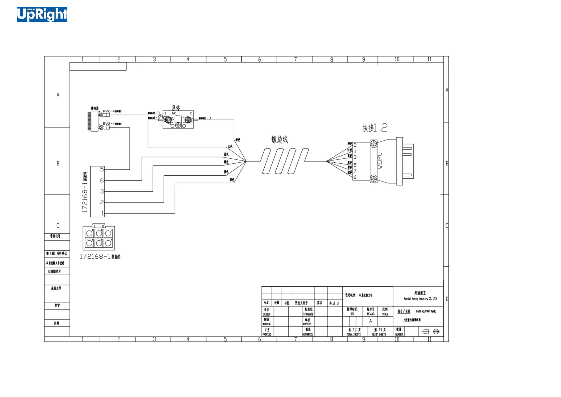
Upright X Series - Upper Control Box Internal Wiring Diagram of Hydraulic Drive a System

Upright X Series
114 pages
Print Icon
To Next Page IconTo Next Page
To Next Page IconTo Next Page
To Previous Page IconTo Previous Page
To Previous Page IconTo Previous Page
Loading...
97 Translation of the original instruction”
7.1.13 Upper control box internal wiring diagram of Hydraulic drive A system

Table of Contents

Other manuals for Upright X Series

Related product manuals