EasyManua.ls Logo

VAMP 59 - Page 59

Default Icon
212 pages
Print Icon
To Next Page IconTo Next Page
To Next Page IconTo Next Page
To Previous Page IconTo Previous Page
To Previous Page IconTo Previous Page
Loading...
Technical description
2 Protection functions
2.7 Directional earth fault
protection I0φ> (67N)
VM59.EN001
VAMP 24h support phone +358 (0)20 753 3264
59
Setting groups
There are two settings groups available for each stage.
Switching between setting groups can be controlled by digital
inputs, virtual inputs (mimic display, communication, logic)
and manually.
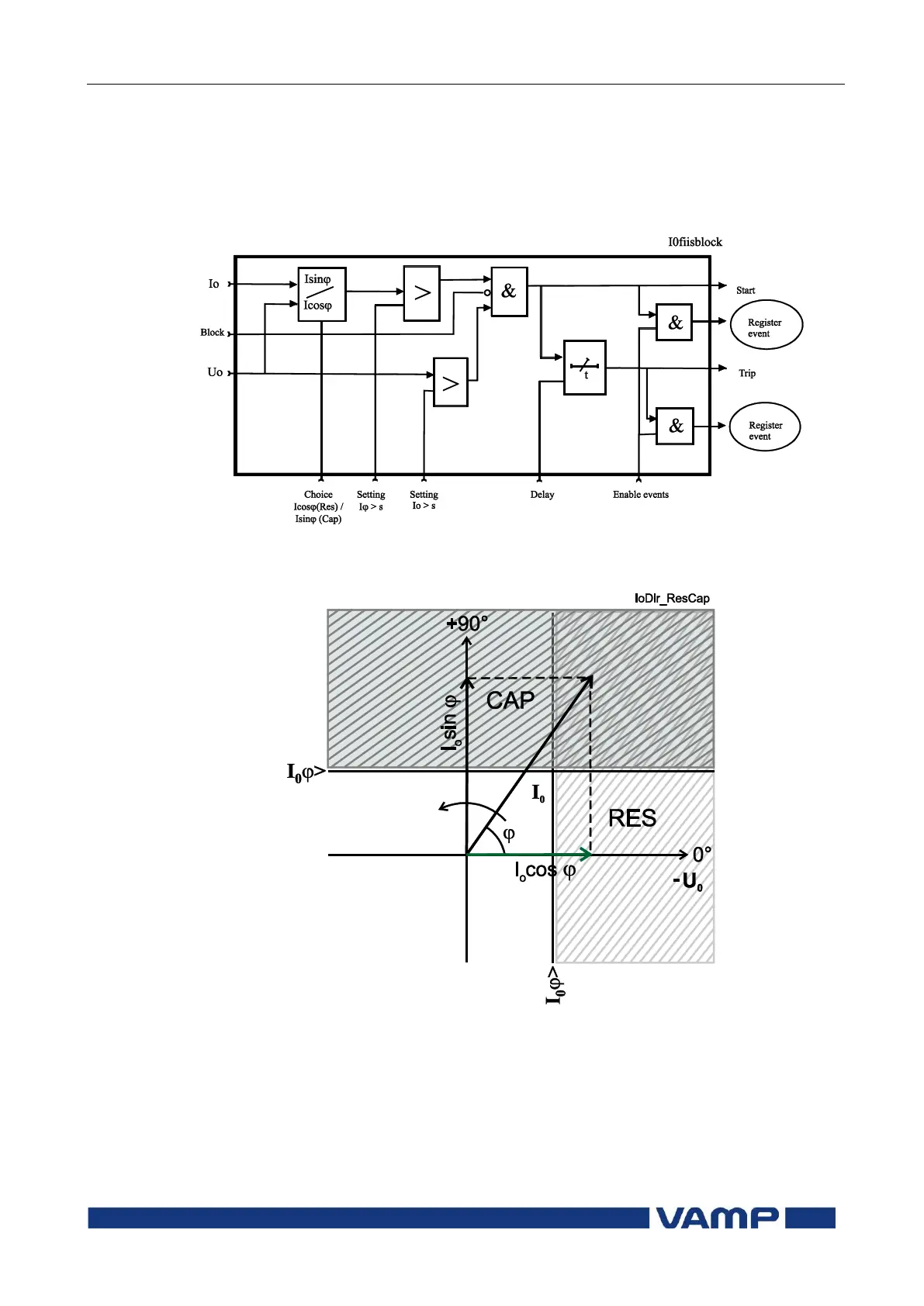
Figure 2.7-1. Block diagram of the directional earth fault stages I
0
> and
I
0
>>
Figure 2.7-2. Operation characteristic of the directional earth fault
protection in Res or Cap mode. Res mode can be used with compensated
networks and Cap mode is used with ungrounded networks.

Table of Contents

Related product manuals