EasyManua.ls Logo

VAMP 59 - Earth Fault Protection I > (50 N;51 N)

Default Icon
212 pages
Print Icon
To Next Page IconTo Next Page
To Next Page IconTo Next Page
To Previous Page IconTo Previous Page
To Previous Page IconTo Previous Page
Loading...
Technical description
2 Protection functions
2.8 Earth fault protection I0>
(50N/51N)
VM59.EN001
VAMP 24h support phone +358 (0)20 753 3264
63
2.8. Earth fault protection I
0
> (50N/51N)
The undirectional earth fault protection is to detect earth faults
in low impedance earthed networks. In high impedance earthed
networks, compensated networks and isolated networks
undirectional earth fault can be used as back-up protection.
The undirectional earth fault function is sensitive to the
fundamental frequency component of the residual current 3I
0
.
The attenuation of the third harmonic is more than 60 dB.
Whenever this fundamental value exceeds the user's pick-up
setting of a particular stage, this stage picks up and a start
signal is issued. If the fault situation remains on longer than
the user's operation time delay setting, a trip signal is issued.
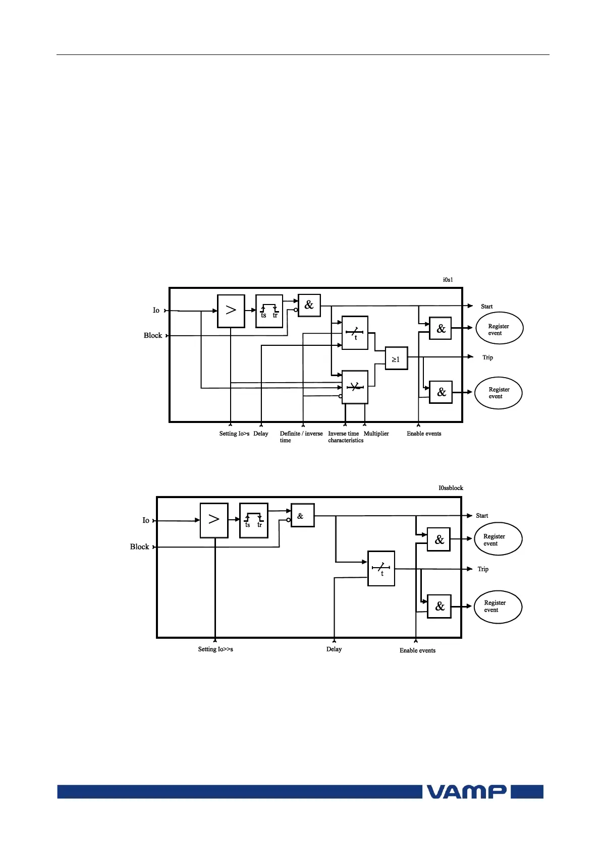
Figure 2-7 Block diagram of the earth fault stage I
0
>
Figure 2-8 Block diagram of the earth fault stages I
0
>>, I
0
>>> and I
0
>>>>
Figure 2-7 shows a functional block diagram of the I
0
> earth
overcurrent stage with definite time and inverse time operation
time. Figure 2-8 shows a functional block diagram of the I
0
>>,
I
0
>>> and I
0
>>>> earth fault stages with definite time
operation delay.

Table of Contents

Related product manuals