EasyManua.ls Logo

VAMP 59 - Page 69

Default Icon
212 pages
Print Icon
To Next Page IconTo Next Page
To Next Page IconTo Next Page
To Previous Page IconTo Previous Page
To Previous Page IconTo Previous Page
Loading...
Technical description
2 Protection functions
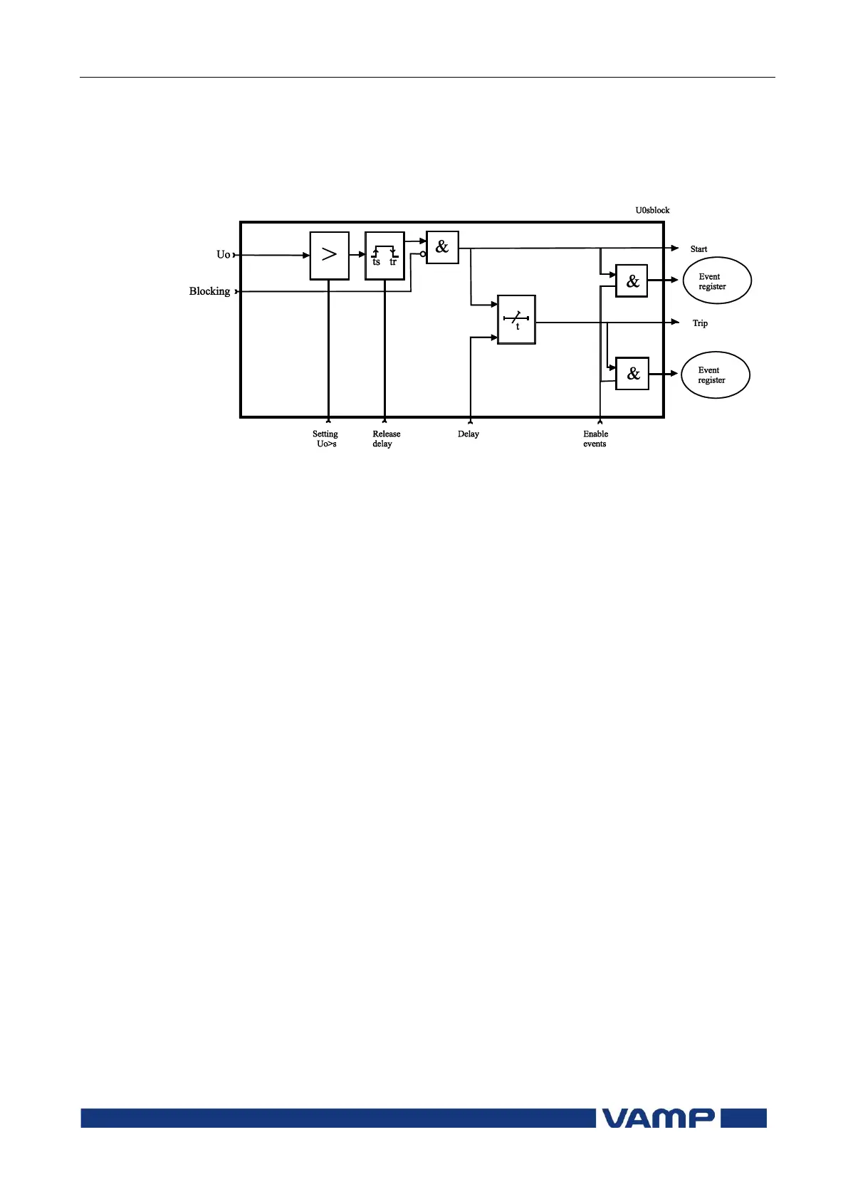
2.9 Zero sequence voltage
protection U0> (59N)
VM59.EN001
VAMP 24h support phone +358 (0)20 753 3264
69
Setting groups
There are two settings groups available for both stages.
Switching between setting groups can be controlled by digital
inputs, virtual inputs (communication, logic) and manually.
Figure 2.9-1. Block diagram of the zero sequence voltage stages U
0
> and
U
0
>>

Table of Contents

Related product manuals