EasyManua.ls Logo

Venmar S10 ERV - Page 45

Venmar S10 ERV
52 pages
Print Icon
To Next Page IconTo Next Page
To Next Page IconTo Next Page
To Previous Page IconTo Previous Page
To Previous Page IconTo Previous Page
Loading...
4519
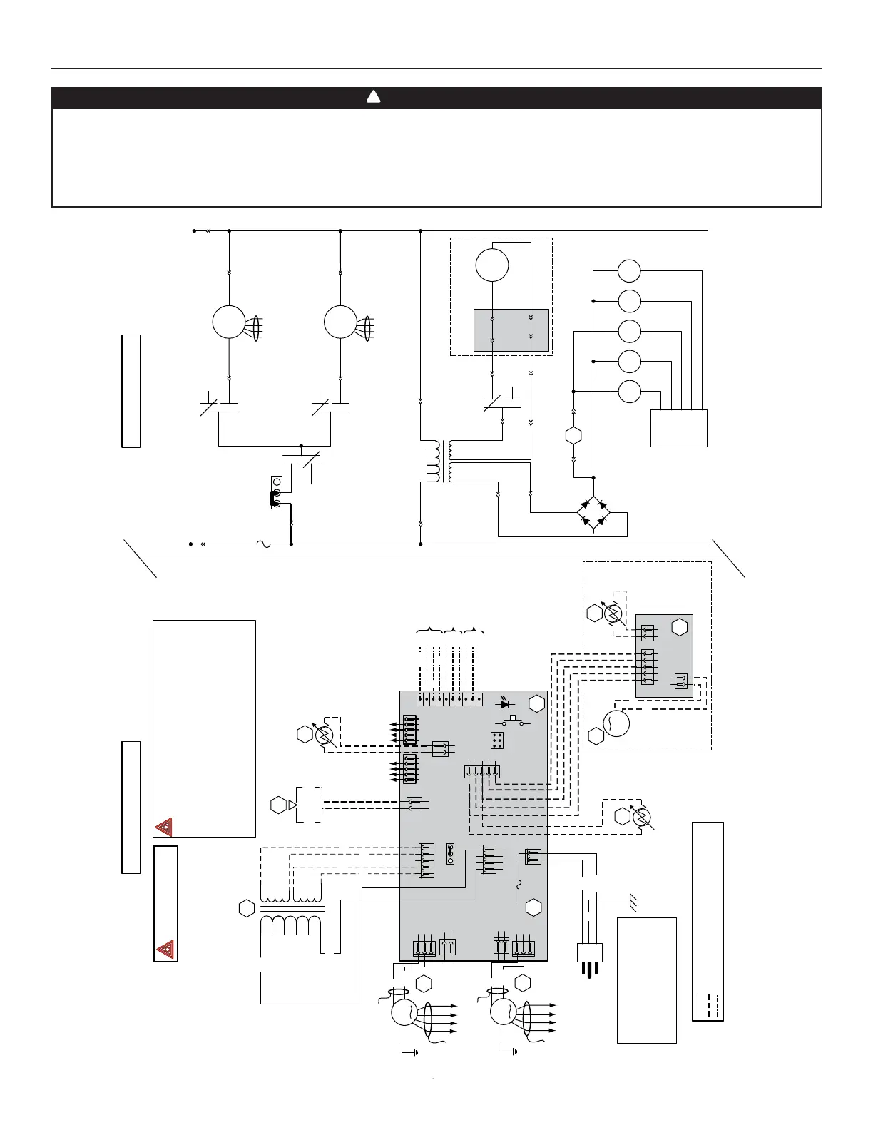
6. SCHÉMA ÉLECTRIQUES (SUITE)
AVERTISSEMENT
Danger d’électrocution. Toujours débrancher l’appareil avant d’effectuer les travaux d’entretien ou de réparation.
Cet appareil est muni d’une protection contre les surcharges (fusible). Un fusible brûlé indique une surcharge
ou un court-circuit. Si le fusible brûle, débrancher l’appareil et vérifier la polarité et la tension de sortie de la
prise. Remplacer le fusible selon les instructions de service (respecter les spécifications inscrites sur le
schéma électrique de l’appareil) et vérifier l’appareil. Si le fusible remplacé brûle à nouveau, il peut s’agir d’un
court-circuit et l’appareil doit être jeté ou retourné au centre de service autorisé pour l’examen et/ou la réparation.
!
LIGNE
NEUTRE
120 VCA
J10-2
J10-1
M
K1
J5-1
J5-2
M
K3
J4-1
J4-2
J9-4
J8-2
J8-1
J8-5
J8-4
J11-2
S1
K4K1 K2 K3 K5
+
-
~
~
T1
9,5 VCA 24 VCA
J9-1
F1
321
JU1
M
H
SCHÉMA ÉLECTRIQUE
FILS DE TENSION DALIMENTATION INSTALLÉS EN USINE
FILS DE BASSE TENSION, CLASSE 2, INSTALLÉS EN USINE
FILS DE BASSE TENSION, CLASSE 2, INSTALLÉS SUR PLACE
INTERRUPTEUR
PRIORITAIRE
(OPTIONNEL)
F
IL DE LA COMMANDE
INSTALLÉS
SUR PLACE
SYNCHRONISATION
AU
VENTILATEUR
DE
FOURNAISE
(OPTIONNEL)
B
G
R
R
V
N
Y
J
OL
OC
I
10
9
8
7
6
5
4
3
2
1
J13
ICP
A1
CARTE ÉLECTRONIQUE
12345
J12
J11
12
4321
J9
J10
21
F1
3A
T
YPE 3AG
321
JU1
MH
4321
5
J8
J5
J7
1
1
2
2
3
J6
1
2
J4
1
2
3
N
BLA
V
120 VCA
60 Hz
MOTEUR
VENTILATEUR
ÉVACUATION
T1
24 V Classe 2
9,5 V
Classe 2
120 V
neutre
N
BLA
J
J
O
O
BLA
S1
INTERRUPTEUR DE VERROUILLAGE DE PORTE
(OPTIONNEL, CONTACT EN AMPOULE
ACTIVÉ
MAGNÉTIQUEMENT)
CODE DES COULEURS
BLANC
BLEU
GRIS
NOIR
BLA
BLE
G
N
JAUNE
ORANGE
ROUGE
VERT
J
O
R
V
SC SANS CONNEXION
BLA
Caractéristique critique.
NOTES
1.
Utiliser un fusible certifié UL listed/CSA.
2. Lors de remplacement de fil,
toujours utiliser un fil équivalent.
3. L’installation des fils sur place doit respecter
les codes et règlements en vigueur.
4. Commandes à dictance disponibles
(circuit classe 2), voir le guide d’installation.
5. Le circuit du ventilateur de la fournaise doit
doit être de classe 2 seulement.
K2
CPU
SCHÉMA LOGIQUE
VE0375F
MOTEUR
VENTILATEUR
DISTRIBUTION
MOTEUR
VENTILATEUR
DISTRIBUTION
M2
M
OTEUR
VENTILATEUR
ÉVACUATION
M1
R1
THERMISTOR
J14
J20
12
R2
THERMISTOR
12345
J15
J
BLE
R
BLA
sc
12345
J17
J
BLE
R
BLA
sc
DU CÂBLE DE
COMMANDE
DU
MOTEUR DE
VENTILATEUR
DE
DISTRIBUTION
DU CÂBLE DE COMMANDE
DU
MOTEUR DE VENTILATEUR
D
ÉVACUATION
M1
BLE
N
V
J
BLE
R
BLA
CÂBLE DE
COMMANDE
CÂBLE DALIMENTATION
VERS A1-J17
M2
BLE
N
V
J
BLE
R
BLA
CÂBLE DE
COMMANDE
VERS A1-J17
C
ÂBLE DALIMENTATION
J9-1
VERS A1-J17
VERS A1-J15
21
5
4321
12
J3
J2 J1
A2
THERMISTOR
CARTE ÉLECTRONIQUE
DU
VOLET
MOTEUR
DE
VOLET
R1
SYSTÈME DE VOLET OPTIONNEL
M3
N
N
OU
SYSTÈME DE VOLET OPTIONNEL
MOTEUR DE VOLET
M3
M
J2-1
J3-1
J2-2
J3-2
J12-1
J12-2
K4
J11-1
APPAREILS S10 ERV ECM ET 70E ECM

Related product manuals