EasyManua.ls Logo

Vertiv EXS - Page 80

Vertiv EXS
108 pages
Print Icon
To Next Page IconTo Next Page
To Next Page IconTo Next Page
To Previous Page IconTo Previous Page
To Previous Page IconTo Previous Page
Loading...
EXS
User Manual 10H52260UM60 - Rev. 1 - 10/2017 79
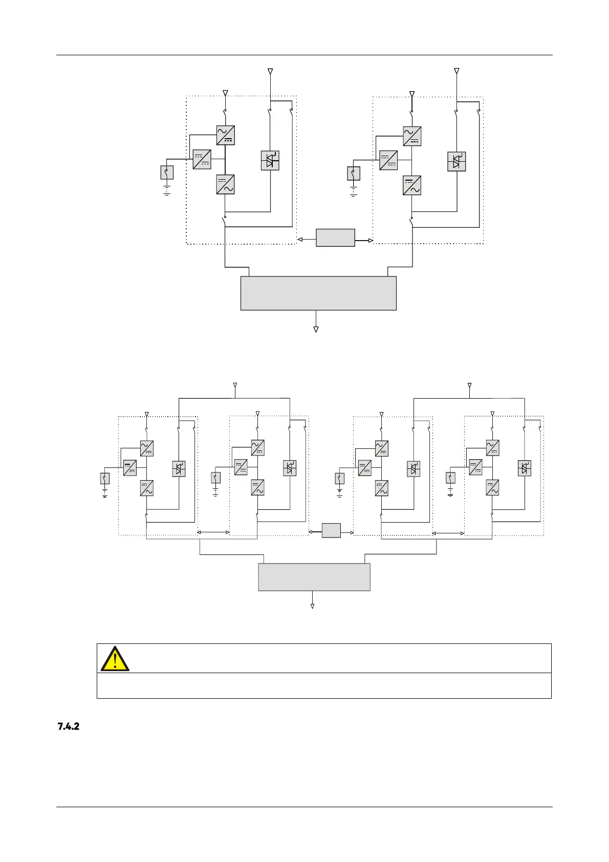
Figure 7-3 LBS system (UPS module)
Figure 7-4 LBS system (parallel system)
Note
In a dual-bus system, the two UPS systems must have the same power rating, voltage and frequency, and the load must not
exceed the power rating of a single UPS module system.
External Protective Device
Refer to 3.1.9 .
Bypass
Rectifier
Q1 Q2
Q3
Q5
STS
Q1 Q2 Q3
Q5
LBS
To load
Bypass
Rectifier
STS
Q1 Q2 Q3
Q5
Q1 Q2 Q3
Q5
Parallel
cable
Q1 Q2 Q3
Q5
Q5
Q1 Q2
LBS
Q3
UPS 1 ...... UPS 4
UPS 1 ...... UPS 4
Bypass
Rectifier
Rectifier
Bypass
Rectifier
Rectifier
Parallel
cable
To load

Table of Contents

Related product manuals