EasyManua.ls Logo

Vertiv Liebert EXS - Procedures for Complete UPS Shutdown While Maintaining Power to Load; LBS System; Overview; Cabinet Installation

Vertiv Liebert EXS
80 pages
Print Icon
To Next Page IconTo Next Page
To Next Page IconTo Next Page
To Previous Page IconTo Previous Page
To Previous Page IconTo Previous Page
Loading...
6.4.8 Procedures for complete UPS shutdown while maintaining power to load
The procedures are applicable for completely powering down the UPS and still keeping the power supply to the load. Refer to
the procedures in Maintenance bypass procedures on page51.
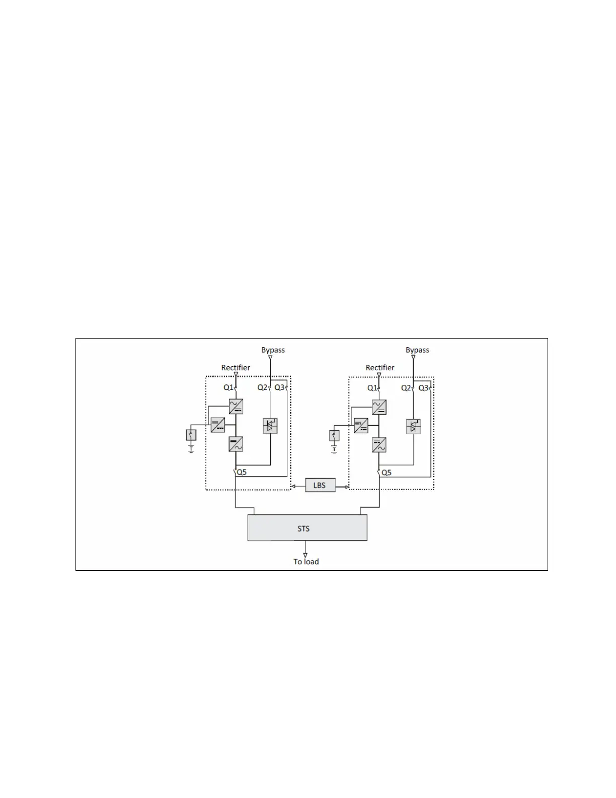
6.5 LBS System
6.5.1 Overview
An LBS system consists of two independent UPS systems, each containing one or more parallel UPS modules. The LBS
system is highly reliable and is applicable to the load with multiple inputs. For single input load, an STS can be installed to feed
power to the load.
6.5.2 Cabinet installation
The system uses the LBS cables to synchronize the output of the two independent (or parallel) UPS systems. One system is
designated as the master, the other is designated as the slave. The operation modes of the parallel system comprise master
and/or slave operation in normal or bypass mode. Refer to Figure 6.4 below and Figure 6.5 on the facing page for details.
Figure 6.4 LBS System (UPS Module)
54 Proprietary and Confidential ©2023 Vertiv Group Corp. 6 Parallel System and LBS System
Vertiv™ Liebert® EXS Installer/User Guide

Table of Contents

Other manuals for Vertiv Liebert EXS

Related product manuals