EasyManua.ls Logo

Viessmann Vitosol100 - Page 76

Viessmann Vitosol100
104 pages
Print Icon
To Next Page IconTo Next Page
To Next Page IconTo Next Page
To Previous Page IconTo Previous Page
To Previous Page IconTo Previous Page
Loading...
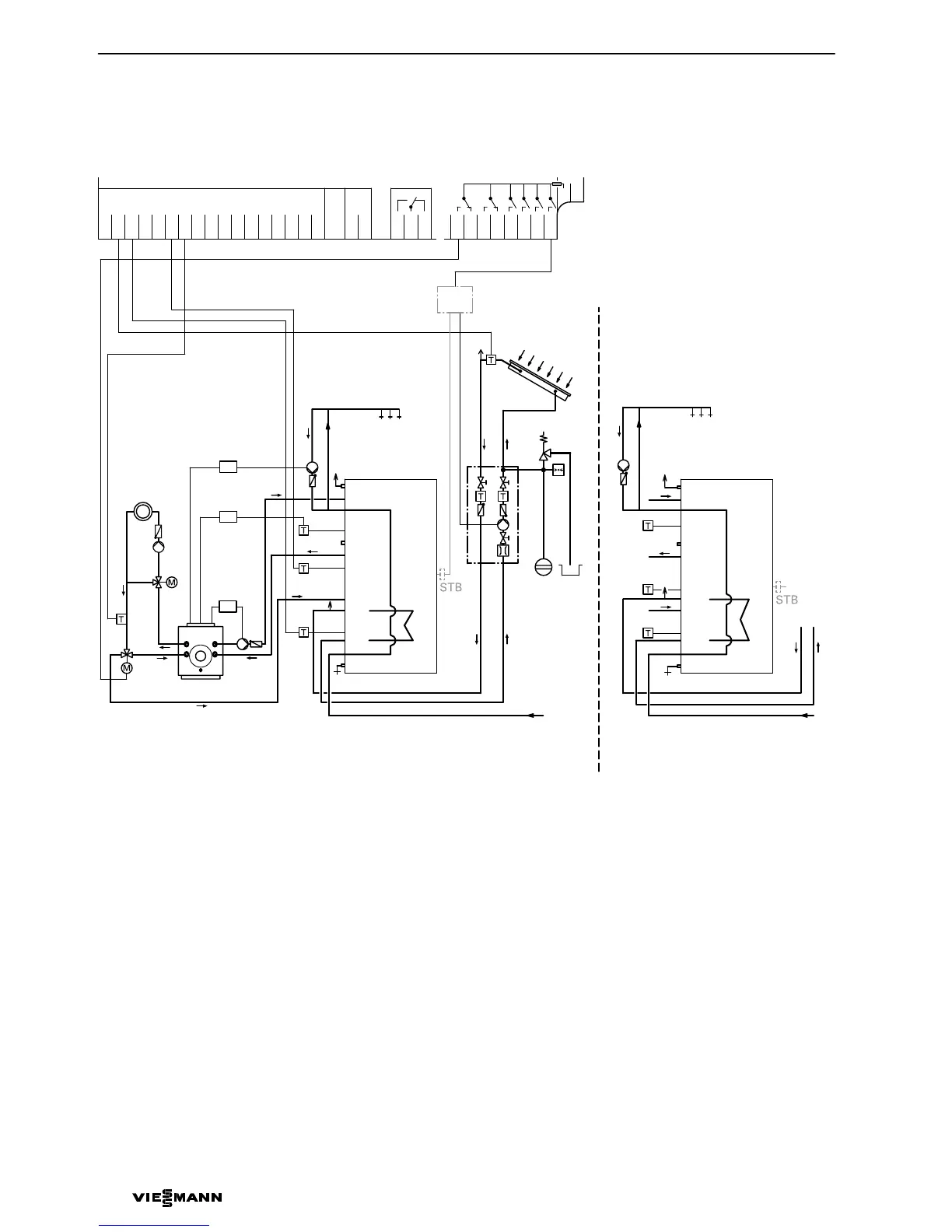
4.5System design5
76
VITOSOL
Installation diagrama
A Solar panel
B DHW circulation pump
C DHW circulation output of the boiler
control unit or on−site time switch
D Oil and gas fired boilers
E Combination cylinder Vitocell 333
or
F Heating water calorifier with
relayering system Vitocell353
G Junction box (on site)
5822135 GB
8
6
3
5
5
4
WW
AB
B
A
KW
VL RL
C
7
D
8
qP
E
B
6
3
9
A
2
28
5
21
G
GND
S1
S2
S3
S4
S5
S6
S7
S8
S9
S10
S11
S12
CS10
−−−−
Imp1
Imp2
145
145
R4
LN
R6−A
R6−R
R5−R
R5−A
R3
R2
R1
R7−A
R7−M
R7−R
1
or
WW
B
KW
VL RL
F
E
HV
HR
HV
HR
HV
HR
E
1
1
2
2
S
S
E
HV
HR
HV
HR
HV
HR
E
1
1
2
2
S
S

Table of Contents

Related product manuals