EasyManua.ls Logo

Viessmann Vitosol100 - Page 77

Viessmann Vitosol100
104 pages
Print Icon
To Next Page IconTo Next Page
To Next Page IconTo Next Page
To Previous Page IconTo Previous Page
To Previous Page IconTo Previous Page
Loading...
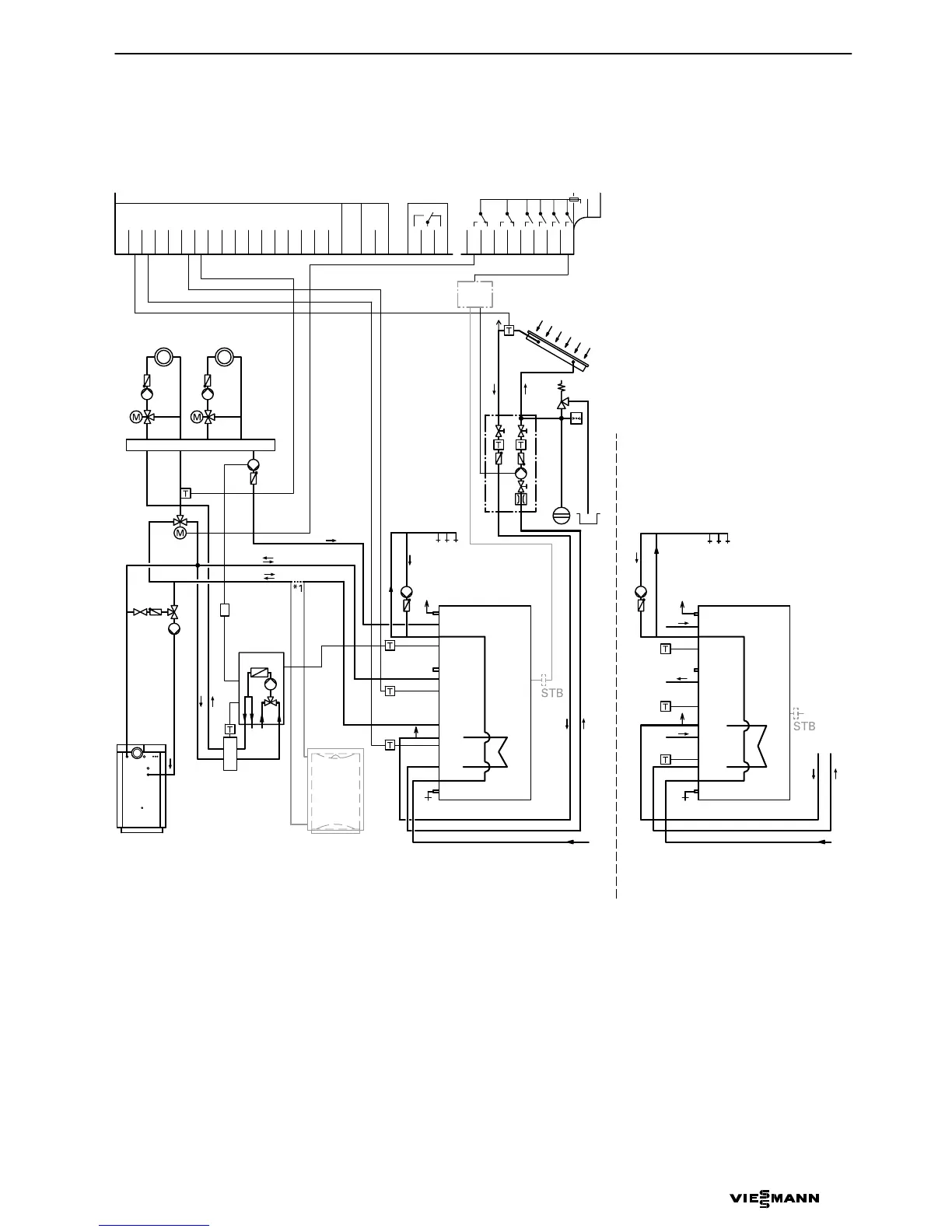
4.5System design5
77
VITOSOL
Installation diagramb
(Vitodens200 or 300, Vitopend 200, Vitoplus 300)
*1
This connection is not present when a heating water calorifier is installed.
A Solar panel
B DHW circulation pump
C Solid fuel boiler
D Boiler
E Combination cylinder Vitocell 333
or
F Stratification cylinder Vitocell353
G Vitocell 050 heating water calorifier
H Return temperature raising
K Low loss header,
part no. 7149 100
M Temperature sensor for low loss
header
H Gas fired wall mounted boilers
with Vitotronic200, type HO1,
part no.7179488
H Vitoplus300,
part no.7819601
N Junction box (on site)
5822135 GB
A
2
5
4
KW
VL RL
BA
AB
9
qP
7
8
WW
E
6
3
B
D
M
K
H
CG
N
GND
S1
S2
S3
S4
S5
S6
S7
S8
S9
S10
S11
S12
CS10
−−−−
Imp1
Imp2
145
145
R4
LN
R6−A
R6−R
R5−R
R5−A
R3
R2
R1
R7−A
R7−M
R7−R
1
qQ
8
6
3
5
or
WW
B
KW
VL RL
F
66
E
HV
HR
HV
HR
HV
HR
E
1
1
2
2
S
S
E
HV
HR
HV
HR
HV
HR
E
1
1
2
2
S
S

Table of Contents

Related product manuals