EasyManua.ls Logo

Viking VCFF136D - Wiring and Schematics; Full Schematic and Wiring Diagrams

Viking VCFF136D
77 pages
Print Icon
To Next Page IconTo Next Page
To Next Page IconTo Next Page
To Previous Page IconTo Previous Page
To Previous Page IconTo Previous Page
Loading...
Wiring and Schematics
76
© 2010 Viking Preferred Service
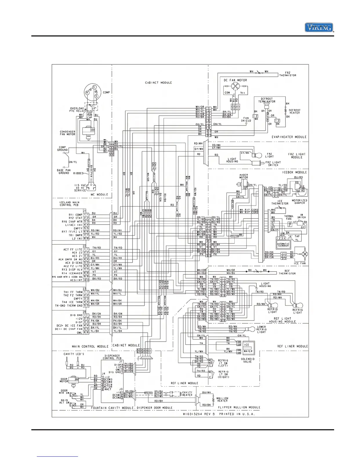
Full Schematic

Table of Contents

Other manuals for Viking VCFF136D

Related product manuals