EasyManua.ls Logo

Viking VCFF136D - Wiring Diagram

Viking VCFF136D
77 pages
Print Icon
To Previous Page IconTo Previous Page
To Previous Page IconTo Previous Page
Loading...
© 2010 Viking Preferred Service
77
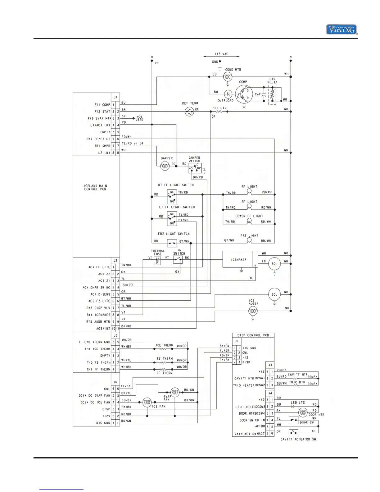
Wiring and Schematics
Wiring Diagram

Table of Contents

Other manuals for Viking VCFF136D

Related product manuals