EasyManua.ls Logo

Viking VESC305 - Convection Cook Wiring Diagram

Viking VESC305
29 pages
Print Icon
To Next Page IconTo Next Page
To Next Page IconTo Next Page
To Previous Page IconTo Previous Page
To Previous Page IconTo Previous Page
Loading...
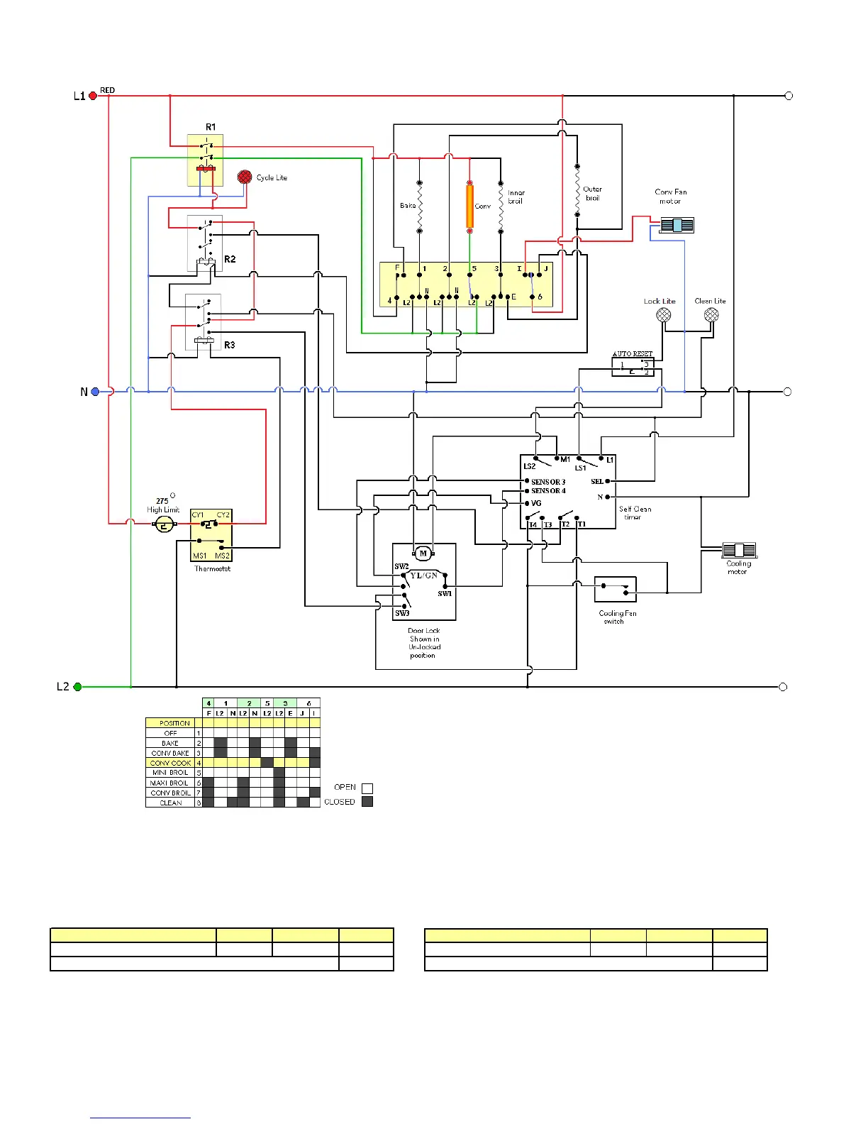
Selector Convection Cook position closes Switches 5-L2 and 6-1. 6-1 powers the Convection Fan
through L1- at 120v. The Thermostat closes Switch Cy1-Cy2, which cycles with the Oven
temperature, powering the R1 relay and the Oven Cycle Light. When Relay R1 closes, it powers the
Convection Element (208 – 240).
240 Volts 208 Volts
240v OHMS [R] WATTS [W] AMPS [I]
Convection element 26 2220 9.25
Total amps 9.25
208v OHMS [R] WATTS [W] AMPS [I]
Convection element 26 1665 8.00
Total amps 8.00
CONVECTION COO
K
13

Related product manuals