EasyManua.ls Logo

Viking VESC305 - Maxi Broil Wiring Diagram

Viking VESC305
29 pages
Print Icon
To Next Page IconTo Next Page
To Next Page IconTo Next Page
To Previous Page IconTo Previous Page
To Previous Page IconTo Previous Page
Loading...
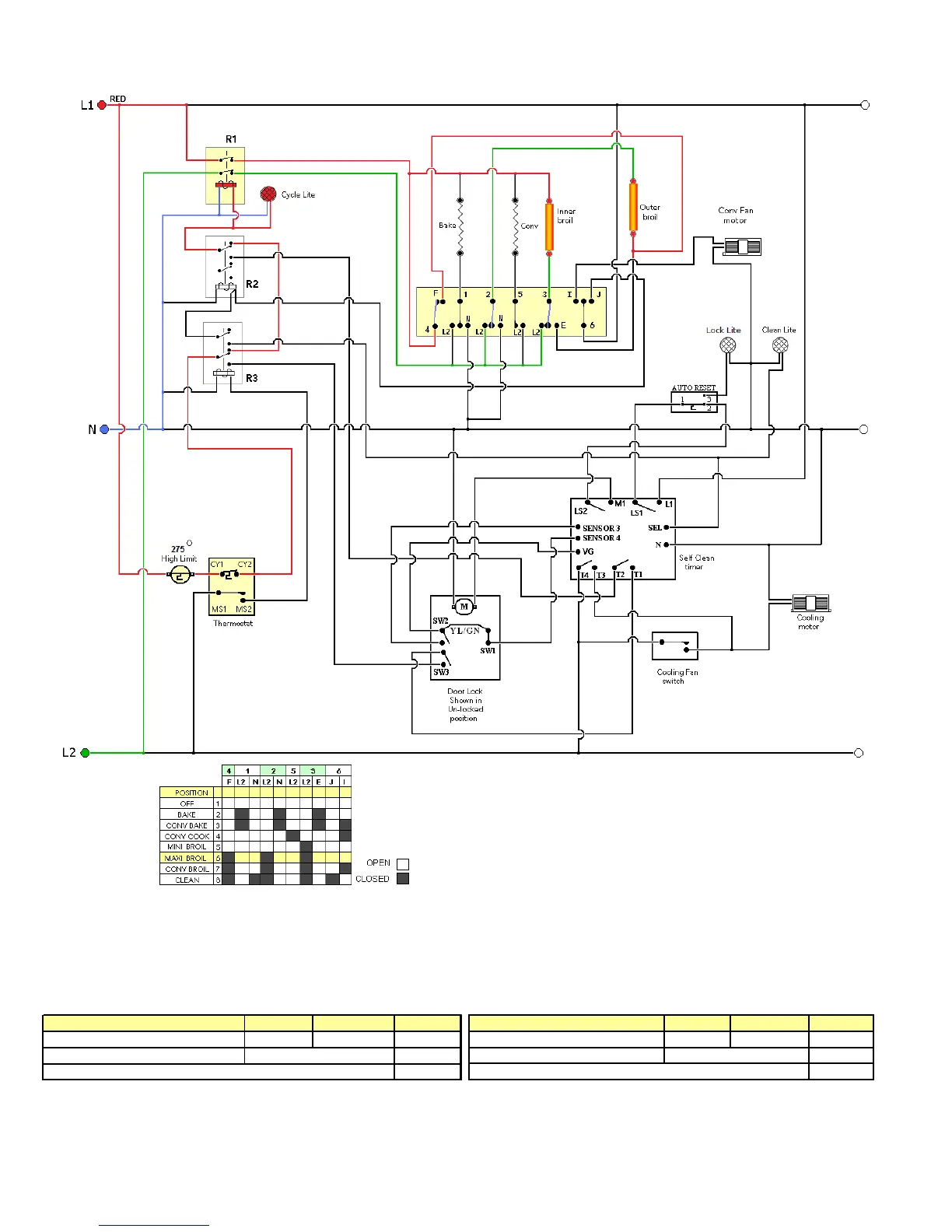
Selector Maxi Broil position closes switches 4-F, 2-L2, and 3-L2. The Thermostat closes Switch
Cy1-Cy2, which cycles with the oven temperature, powering the R1 relay and the Oven Cycle Light.
When Relay R1 closes, it powers the inside Broil Element (208 – 240) and the Outside Broil
Element (208 – 240).
240 Volts 208 Volts
240v OHMS [R] WATTS [W] AMPS [I]
Inner broil element 45.2 1275 5.30
Outer broil element 32.6 1765 7.35
Total amps 12.65
208v OHMS [R] WATTS [W] AMPS [I]
Inner broil element 45.2 9.57 4.60
Outer broil element 32.6 1330 6.40
Total amps 11.00
MAXI BROIL
15

Related product manuals