EasyManua.ls Logo

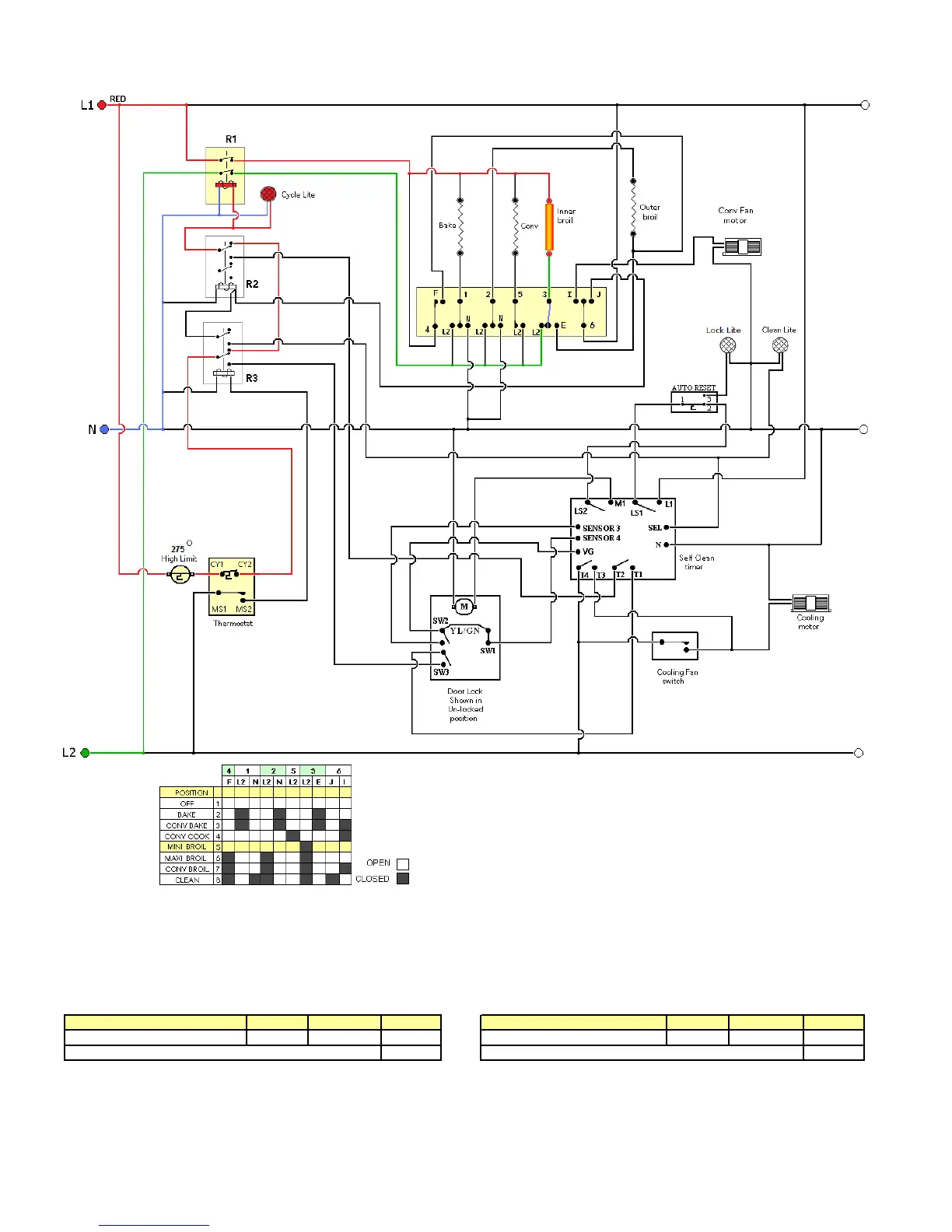
Viking VESC305 - Mini Broil Wiring Diagram

Viking VESC305
29 pages
Print Icon
To Next Page IconTo Next Page
To Next Page IconTo Next Page
To Previous Page IconTo Previous Page
To Previous Page IconTo Previous Page
Loading...
Selector Mini Broil position closes Switches 3-L2. The Thermostat closes Switch Cy1-Cy2, powering the
R1 relay and the Oven Cycle Light. When Relay R1 closes, it powers the inside Broil Element (208 – 240).
240 Volts 208 Volts
240v OHMS [R] WATTS [W] AMPS [I]
Inner broil element 45.2 1275 5.30
Total amps 5.30
208v OHMS [R] WATTS [W] AMPS [I]
Inner broil element 45.2 957 4.60
Total amps 4.60
MINI BROIL
14

Related product manuals