EasyManua.ls Logo

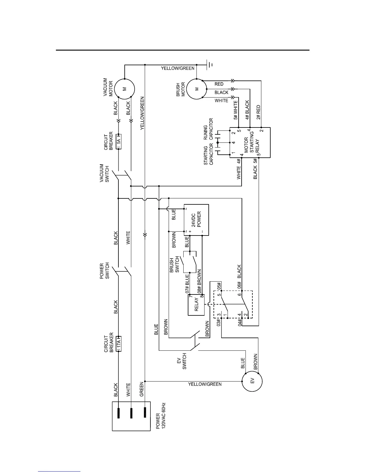
Viper AS430C - Electrical Wiring Diagram

Viper AS430C
29 pages
Print Icon
To Next Page IconTo Next Page
To Next Page IconTo Next Page
To Previous Page IconTo Previous Page
To Previous Page IconTo Previous Page
Loading...
WIRING DIAGRAM
AS430C PART LIST
27

Related product manuals