EasyManua.ls Logo

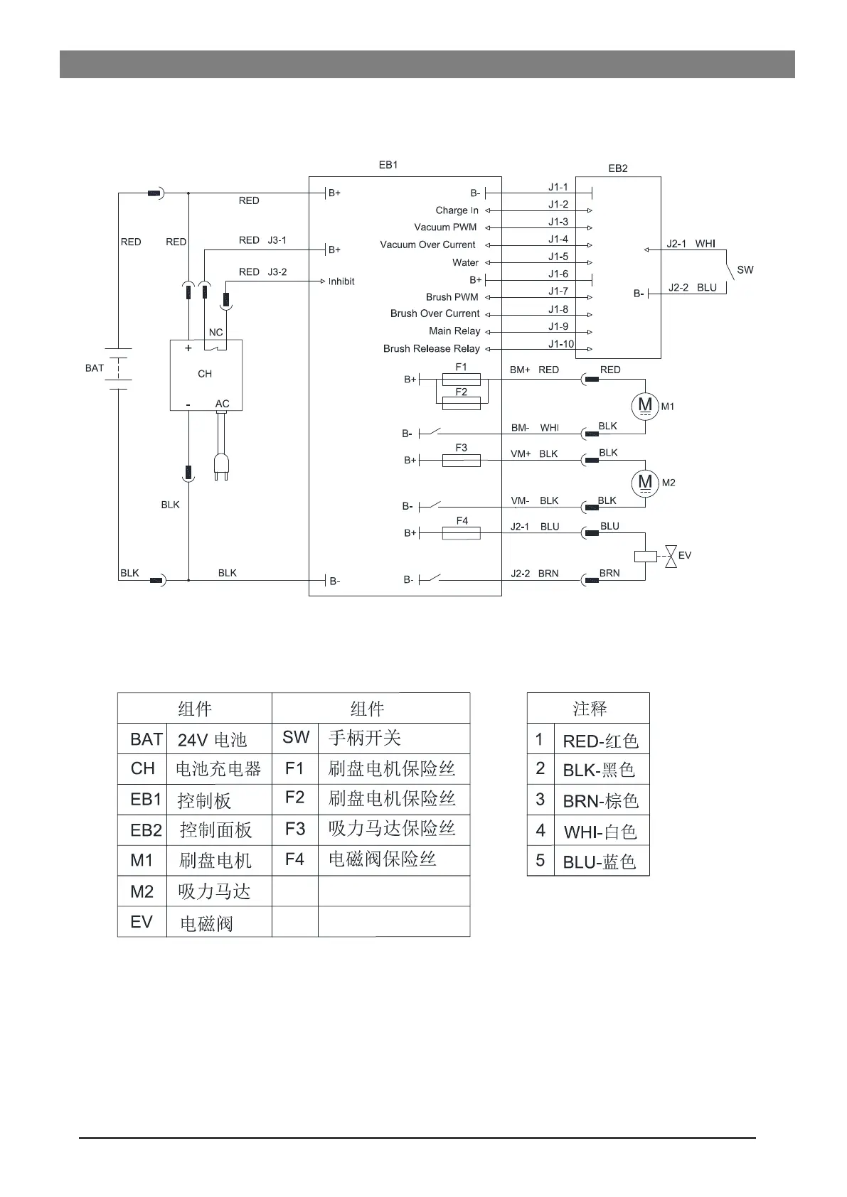
Viper AS4325B - 控制电路图

Viper AS4325B
52 pages
Print Icon
To Next Page IconTo Next Page
To Next Page IconTo Next Page
To Previous Page IconTo Previous Page
To Previous Page IconTo Previous Page
Loading...
使用说明书 中文版
34
线路图

Table of Contents