EasyManua.ls Logo

Vmac VR7000 - Page 46

Default Icon
54 pages
Print Icon
To Next Page IconTo Next Page
To Next Page IconTo Next Page
To Previous Page IconTo Previous Page
To Previous Page IconTo Previous Page
Loading...
44
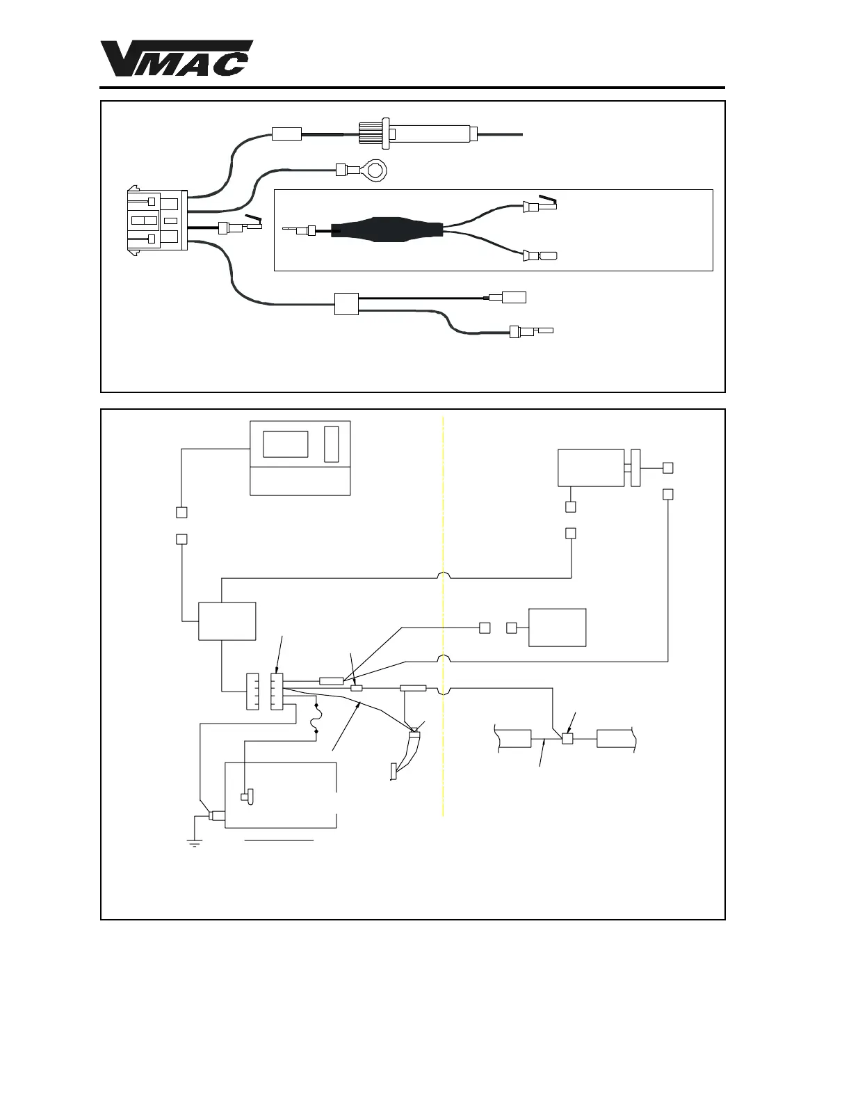
White
Red
White
Green
Red
In-line Fuse
To Matching
Connector on
Harness From
Control Unit
To switched power source
To ground
To compressor clutch
To throttle controller
Black
Blue
To OEM park brake switch and
OEM park brake switch wire
To female quick-connector at the
harness on top of the engine
AUTOMATIC TRANSMISSION ONLY
Black
Figure 4.3 Interface connection wiring
FIR EWALL
BULKHEAD
SWITCHING
BOX
35412
CO MMON
GRND STRAP POINT
AT FUSE PANEL
GRN
FUSE PANEL (OEM)
RED
THROT TLE
CO NTR OL
5065
RED
INTERFACE
CABLE
35391
WHT
BLU
7 PIN CONNECTOR (GREEN)
LOW PROFILE
CO NTR OL PANEL
35404
TEMPERATURE
PROBE
4 PIN
CO NNECTOR
(GREEN)
COMPRESSOR
CLUTCH
BULLET
CO NNECTO
R
OEM HARNESS
SPADE CONNECTOR
QUICK CONNECTOR
LT GRN
12V DC IGNITION ON
& TRANSMISSION IN PARK
DDC
OEM
PARK BRAKE
BLK
SPADE
CO NNECTOR
BLK
P IGG Y BA CK
SPADE
CONNECTOR
SPADE
CO NNECTOR
20A
FUSE
STD TRANS ONLY
NO DDC
0V DC IGNITION OFF
BATTERY VOLTAGE IGNITION ON
Figure 4.4 Wiring diagram
DOCUMENT 19299

Related product manuals