EasyManua.ls Logo

WEG CFW100 - Page 91

WEG CFW100
127 pages
Print Icon
To Next Page IconTo Next Page
To Next Page IconTo Next Page
To Previous Page IconTo Previous Page
To Previous Page IconTo Previous Page
Loading...
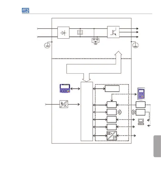
Informações Gerais
Português
(SUPERDRIVE
G2, WLP)
Bluetooth
CANopen/
DeviceNet
Adaptador
Bluetooth
Entrada
analógica e
saída à re
Entradas
digitais
(DI1 a DI4)
Fontes para eletrônica e interfaces
entre potência e controle
PC
POTÊNCIA
Retificador
monofásico
Filtro
Motor
U/T1
V/T2
W/T3
Inversor com
transistores
IGBT
Rede de
alimentação
L1/L
L2/N
RS-485
Adaptador
USB
Banco
capacitores
link CC
HMI
Cartão de
Controle
com CPU
16 bits
Módulo de
Memória Flash
HMI
(remota)
PE
PE
Acessórios
Conversor
USB-RS485
CONTROLE
Figura 2.1: Blocodiagrama do CFW100
Buy: www.ValinOnline.com | Phone 844-385-3099 | Email: CustomerService@valin.com

Table of Contents

Other manuals for WEG CFW100

Related product manuals