EasyManua.ls Logo

Welbilt CREM ONE - ONE 2 B Dual R-LFPP - 240 V

Welbilt CREM ONE
48 pages
Print Icon
To Next Page IconTo Next Page
To Next Page IconTo Next Page
To Previous Page IconTo Previous Page
To Previous Page IconTo Previous Page
Loading...
ONE
36
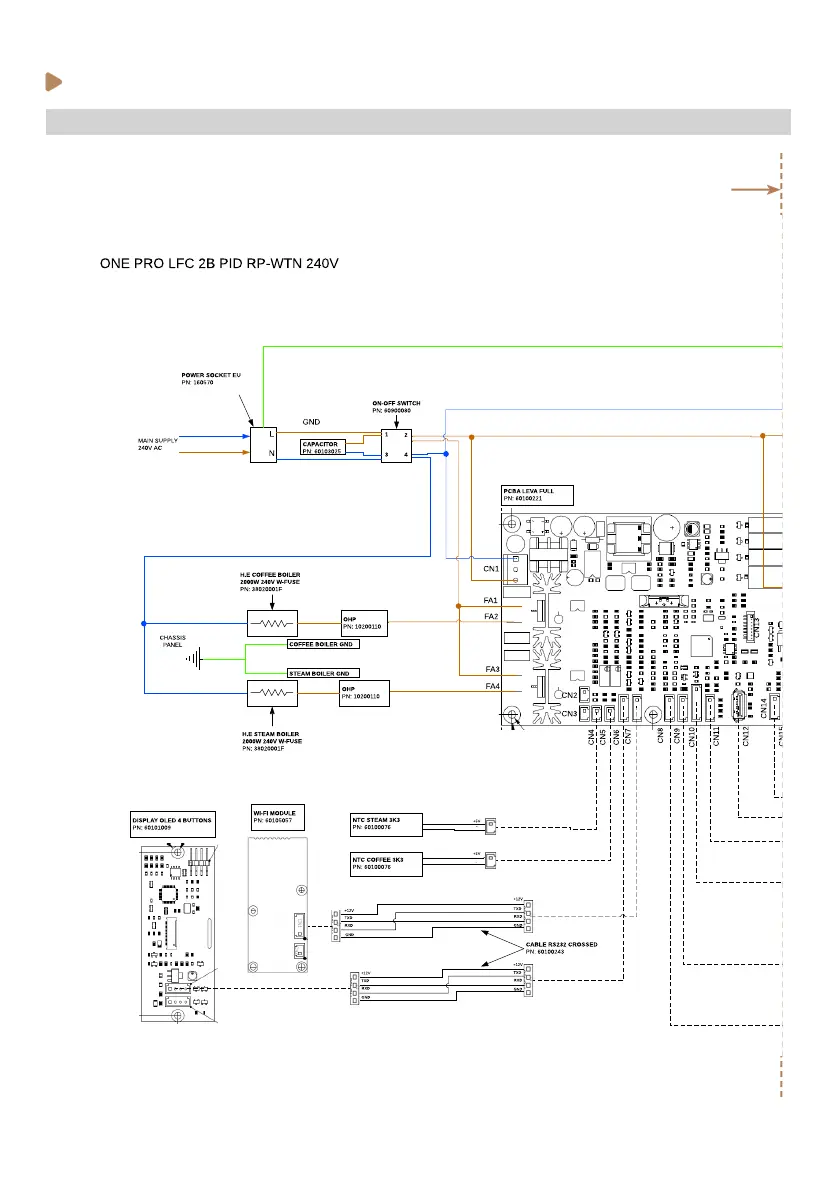
ELECTRICAL DIAGRAMS
· ONE 2B Dual R-LFPP - 240V
Match line, see next page.

Table of Contents

Related product manuals