EasyManua.ls Logo

Welbilt CREM ONE - Page 39

Welbilt CREM ONE
48 pages
Print Icon
To Next Page IconTo Next Page
To Next Page IconTo Next Page
To Previous Page IconTo Previous Page
To Previous Page IconTo Previous Page
Loading...
ONE
39
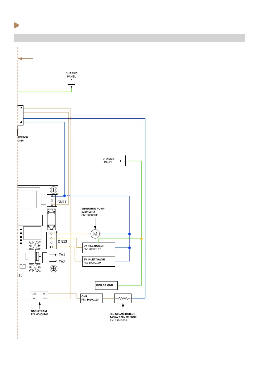
ELECTRICAL DIAGRAMS
· ONE 1B Dual - 110V
Match line, see previous page.

Table of Contents

Related product manuals