EasyManua.ls Logo

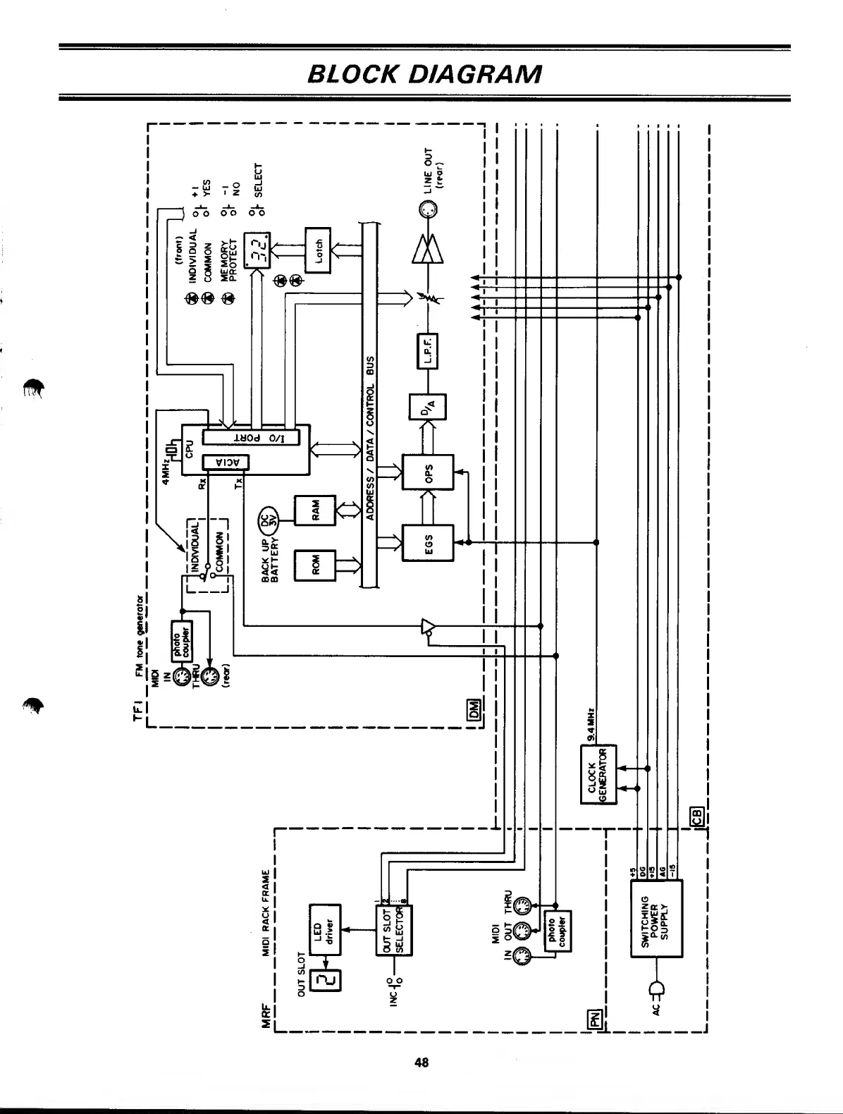
Yamaha TX 816 - Block Diagram

Yamaha TX 816
79 pages
Print Icon
To Next Page IconTo Next Page
To Next Page IconTo Next Page
To Previous Page IconTo Previous Page
To Previous Page IconTo Previous Page
Loading...
BLOCK DIAGRAM