EasyManua.ls Logo

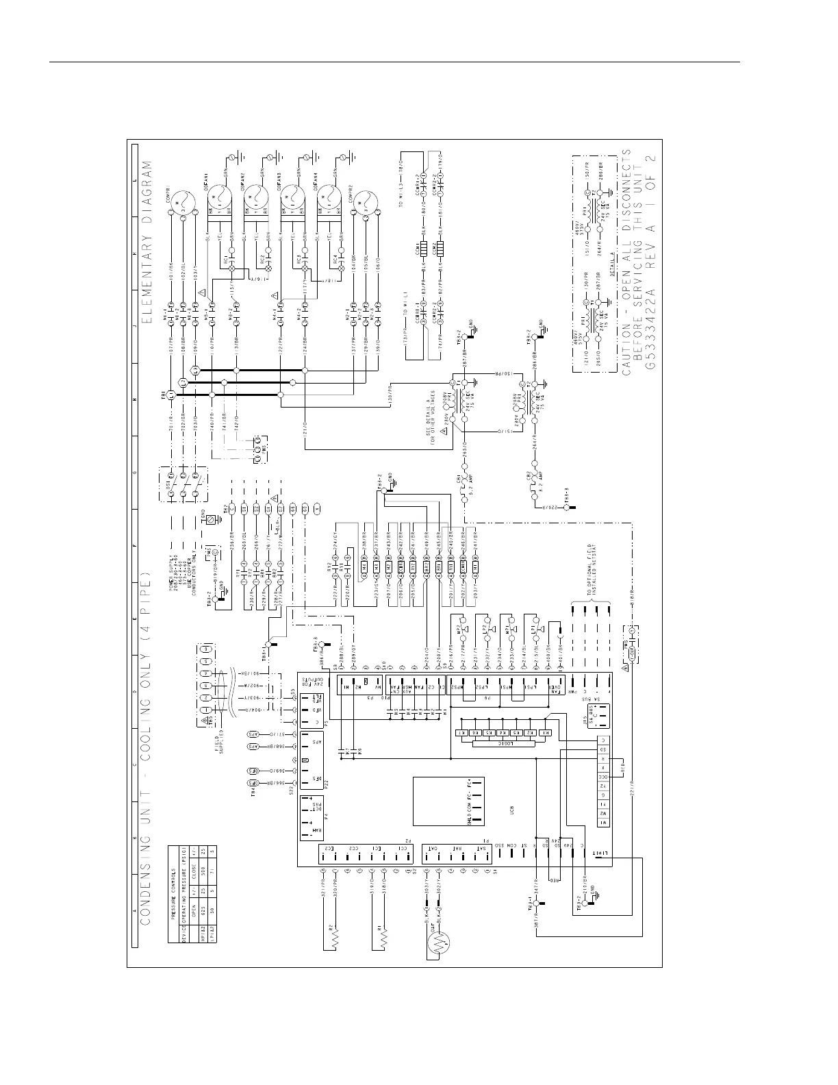
York NM120-240 - Typical YD180 - 240 Wiring Diagram

York NM120-240
128 pages
Print Icon
To Next Page IconTo Next Page
To Next Page IconTo Next Page
To Previous Page IconTo Previous Page
To Previous Page IconTo Previous Page
Loading...
505428-YTG-V-0417
78 Johnson Controls Unitary Products
Typical YD180 - 240 Wiring Diagram

Table of Contents

Related product manuals