EasyManua.ls Logo

Zenith ZeDrive - Control Cabinet Wiring

Zenith ZeDrive
64 pages
Print Icon
To Next Page IconTo Next Page
To Next Page IconTo Next Page
To Previous Page IconTo Previous Page
To Previous Page IconTo Previous Page
Loading...
Page 9
TO GET ASSISTANCE, CALL: 919-774-7667
ZENITH PUMPS
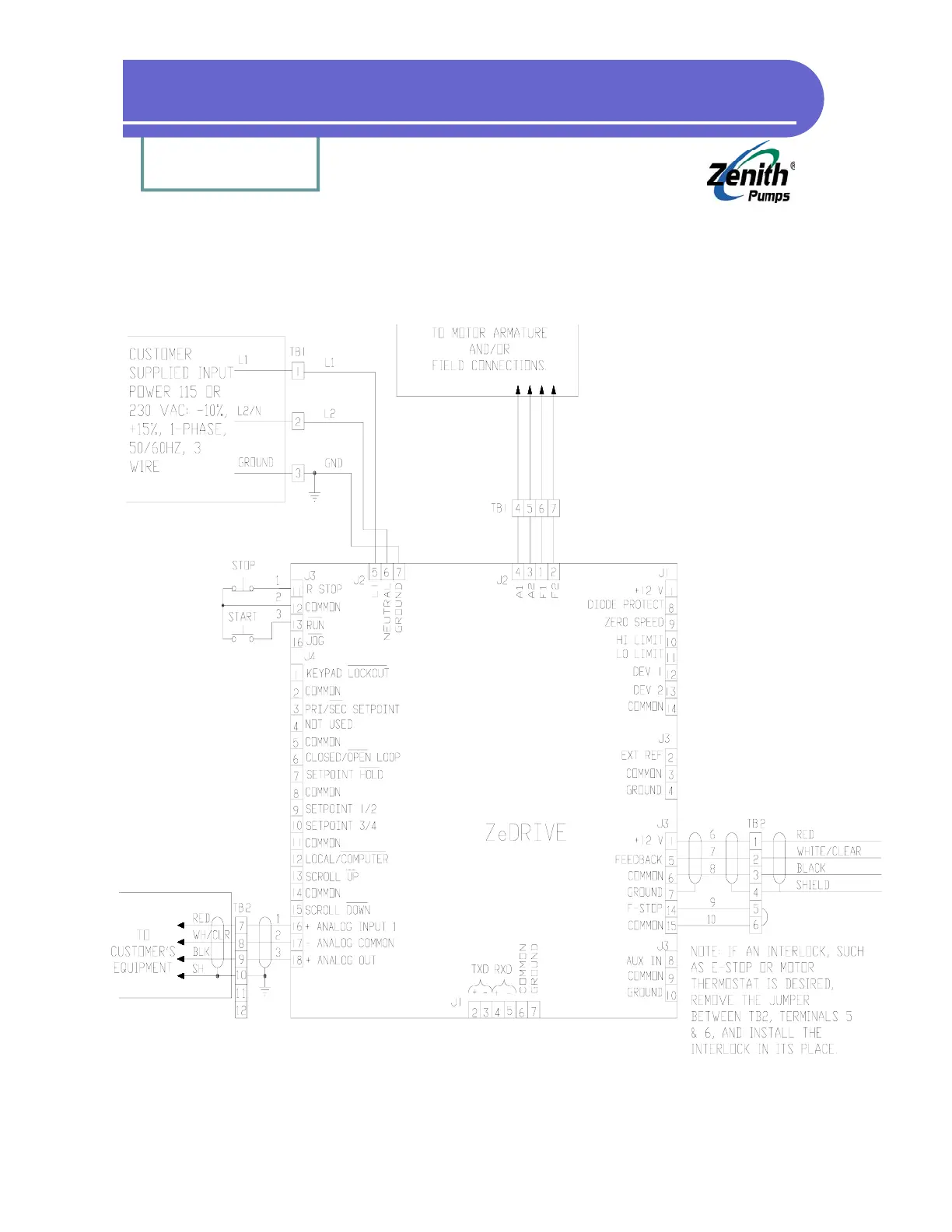
Control Cabinet Wiring

Table of Contents