EasyManua.ls Logo

AAON RSMZ - APPENDIX A: TROUBLESHOOTING; Reheat Expansion Module LED Diagnostics; Reheat Expansion Module LED Troubleshooting Guide

AAON RSMZ
40 pages
Print Icon
To Next Page IconTo Next Page
To Next Page IconTo Next Page
To Previous Page IconTo Previous Page
To Previous Page IconTo Previous Page
Loading...
34
RSMZ Technical Guide
APPENDIX A: TROUBLESHOOTING
Reheat Expansion Module LED Diagnostics
24VAC
GND
COMM
GND
ENABLE
BLACK
WHITE
RED/GRN
GRN/RED
COND/REHEAT
YS102608 R0
COMM
STATUS
COMM LED
STATUS LED
COMM
STATUS
POWER LED COMPRESSOR ENABLE LED
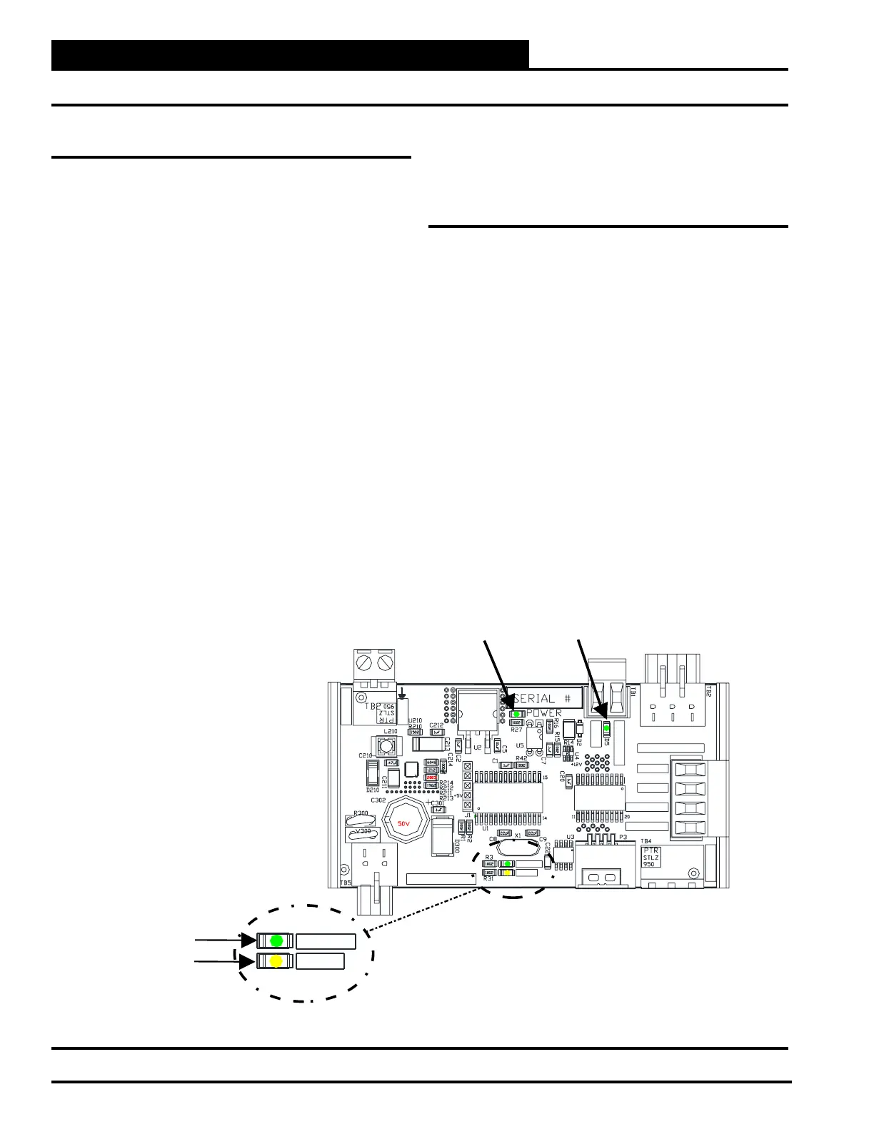
Figure 11: Reheat Expansion Module LEDs
LED Diagnostics
The Reheat Expansion Module is equipped with four LEDs that
can be used to verify operation and perform troubleshooting.
See Figure 11, this page for the LED locations. The LEDs
associated with these inputs and outputs allow you to see what
is active without using a voltmeter. The LEDs and their uses are
as follows:
Operation LEDs
POWER: This green LED will light up to indicate
that 24 VAC power has been applied to the Expansion
Module.
STATUS: This green LED will light up and blink every
10 seconds according to valve position. One blink per
10%. Example: valve position is 67%. STATUS LED
will blink six times every 10 second cycle. The STATUS
LED will stay on solid during the two-minute ush
cycle. See Figure 11, this page.
Communication LED
COMM: This amber LED will light up and blink once
for every good packet received. Packets should be sent
once every second, so the COMM LED should blink
the same, once every second. The COMM LED should
blink simultaneously on all modules.
Binary Input LED
COMPRESSOR ENABLE: This green LED will light
up when the Reheat is enabled.
LED Troubleshooting
“POWER” LED: When the Reheat Expansion Module
is powered up, the POWER LED should light up and
stay on continuously. If it does not light up, check to be
sure that the power wiring is connected to the board, the
connections are tight, and the transformer is powered.
If after making all these checks, the POWER LED does
not light up, the board is probably defective.
“STAT” LED: When the board is rst powered up, the
STAT LED will do the following:
On for 10 seconds
Blinks 30 times
Status code repeatedly blinks the indicated valve
position every ten seconds

Table of Contents

Related product manuals