EasyManua.ls Logo

ABB AC500-eCo V3 - Page 119

ABB AC500-eCo V3
195 pages
To Next Page IconTo Next Page
To Next Page IconTo Next Page
To Previous Page IconTo Previous Page
To Previous Page IconTo Previous Page
Loading...
NOTICE!
Risk of damaging the PLC modules!
Overvoltages and short circuits might damage the PLC modules.
Make sure that all voltage sources (supply voltage and process supply
voltage) are switched off before you begin with operations at the system.
Never connect any voltages or signals to reserved terminals (marked with
"NC"). Reserved terminals may carry internal voltages.
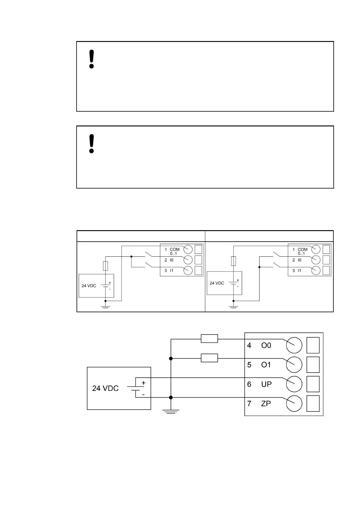
The digital inputs can be used as source inputs or as sink inputs.
NOTICE!
Risk of malfunctions in the plant!
A ground closure, e. g. caused by a damaged cable insulation, can bridge
switches accidentally.
Use sink inputs when possible or make sure that, in case of error, there will be
no risks to persons or plant.
The following figure shows the electrical connection for inputs of the digital input/output module
TA5110-2DI2DOT:
Sink inputs of TA5110-2DI2DOT Source inputs of TA5110-2DI2DOT
The following figure shows the electrical connection for outputs of the digital input/output
module TA5110-2DI2DOT:
Device specifications
Option boards > TA5110-2DI2DOT - Digital input/output module option board
2021/06/29 3ADR010635, 2, en_US 119

Table of Contents

Related product manuals