EasyManua.ls Logo

ABB RELION RET670 - Page 86

ABB RELION RET670
1016 pages
To Next Page IconTo Next Page
To Next Page IconTo Next Page
To Previous Page IconTo Previous Page
To Previous Page IconTo Previous Page
Loading...
7
8
9
10
11
12
1
2
3
4
5
6
A
IA
IB
IC
B C
Protected Object
CT 800/1
Wye Connected
IA
IB
IC
AI 01 (I)
AI 02 (I)
AI 03 (I)
AI 04 (I)
AI 05 (I)
AI 06 (I)
IN
IED
1
3
4
2
5
ANSI06000644-2-en.vsd
6
SMAI2
BLOCK AI3P
AI1
AI2
AI3
AI4
AIN
^GRP2_B
^GRP2_A
^GRP2_C
^GRP2N
TYPE
ANSI06000644 V2 EN-US
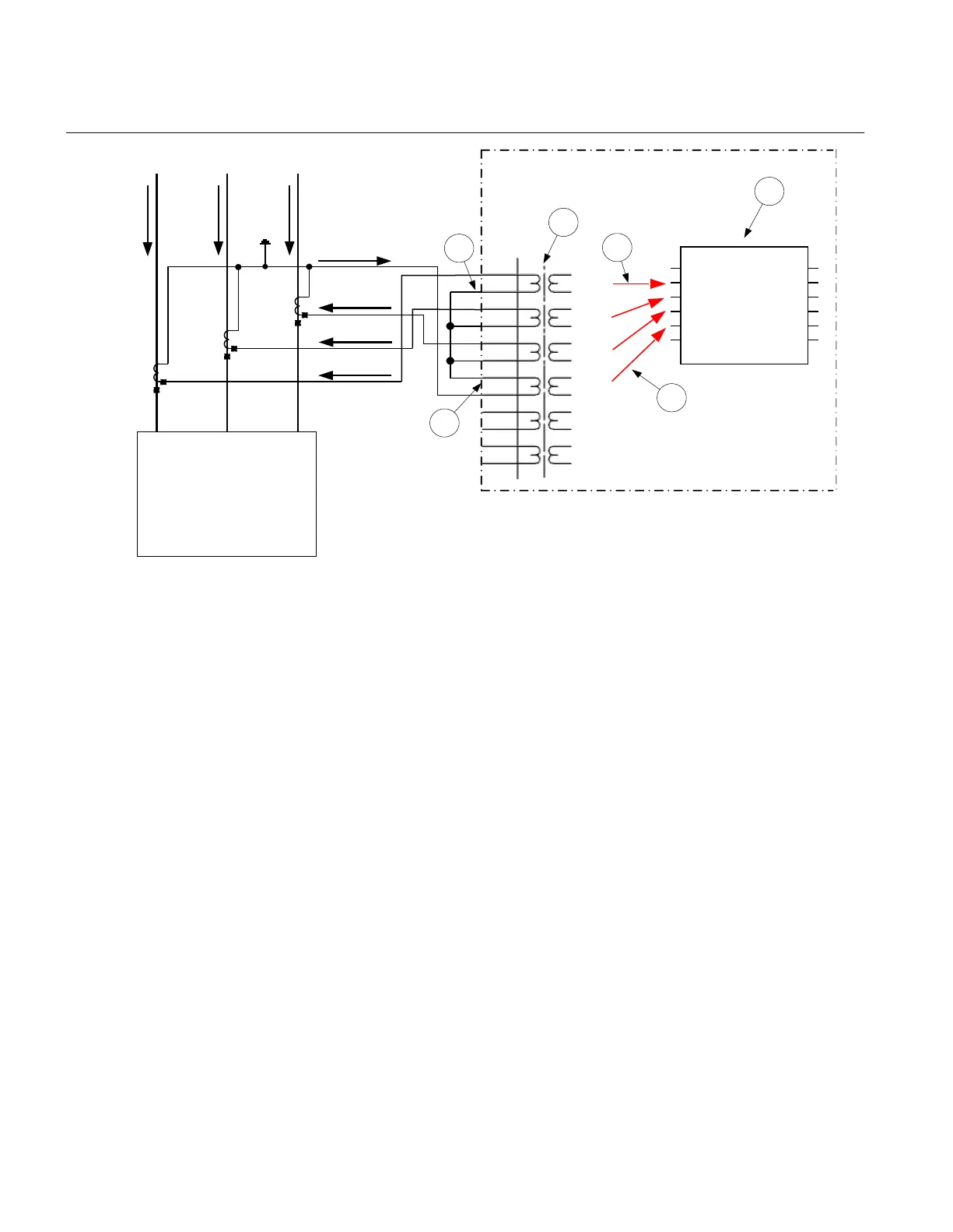
Figure 16: Wye connected three-phase CT set with its wye point away from the protected object and the
residual/neutral current connected to the IED
Where:
1) Shows how to connect three individual phase currents from a wye connected three-phase CT
set to the three CT inputs of the IED.
2) Shows how to connect residual/neutral current from the three-phase CT set to the fourth input
in the IED. It shall be noted that if this connection is not made, the IED will still calculate this
current internally by vectorial summation of the three individual phase currents.
3) Is the TRM where these current inputs are located. It shall be noted that for all these current
inputs the following setting values shall be entered.
CTprim
=800A
CTsec
=1A
CTStarPoint
=FromObject
ConnectionType
=Ph-N
The ratio of the first two parameters is only used inside the IED. The third parameter as set in
this example will have no influence on measured currents (that is, currents are already
measured towards the protected object).
4) Are three connections made in the Signal Matrix tool (SMT) and Application configuration tool
(ACT), which connects these three current inputs to the first three input channels on the
preprocessing function block 6). Depending on the type of functions, which need this current
information, more than one preprocessing block might be connected in parallel to these three
CT inputs.
Table continues on next page
Section 4 1MRK 504 163-UUS A
Analog inputs
80 Transformer protection RET670 2.2 ANSI
Application manual

Table of Contents

Related product manuals