EasyManua.ls Logo

Acteon x-mind ac - A7. Installation Electrical Scheme; Annex 7

Acteon x-mind ac
78 pages
Print Icon
To Next Page IconTo Next Page
To Next Page IconTo Next Page
To Previous Page IconTo Previous Page
To Previous Page IconTo Previous Page
Loading...
77
ENGLISH
INSTALLATION & MAINTENANCE MANUAL • X-MIND AC • V2 • (06) • 08/2016 • NXACEN020B
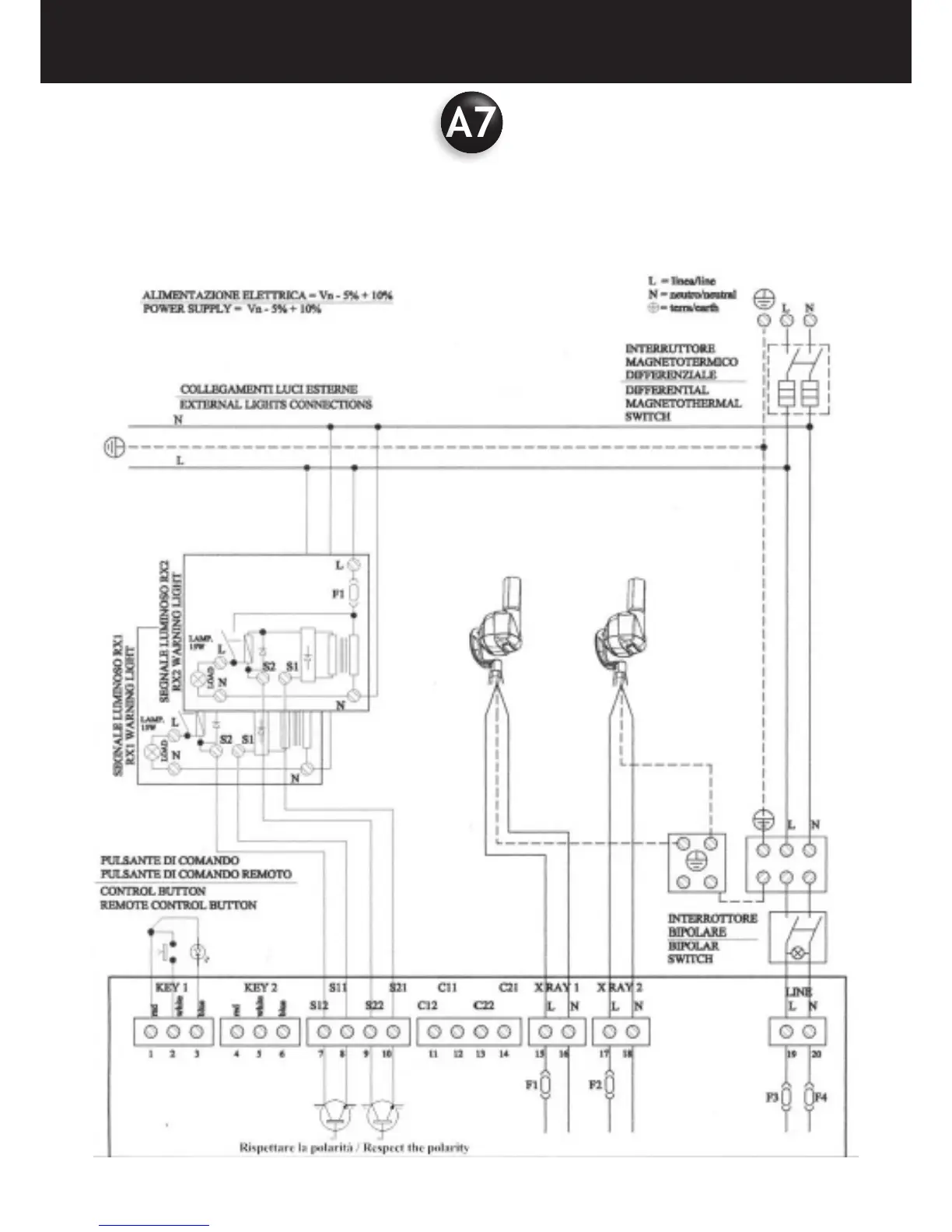
ANNEX 7
A7. INSTALLATION ELECTRICAL SCHEME

Table of Contents

Other manuals for Acteon x-mind ac

Related product manuals