EasyManua.ls Logo

Adleepower BL2-104 - Signal Input Circuit

Default Icon
69 pages
Print Icon
To Next Page IconTo Next Page
To Next Page IconTo Next Page
To Previous Page IconTo Previous Page
To Previous Page IconTo Previous Page
Loading...
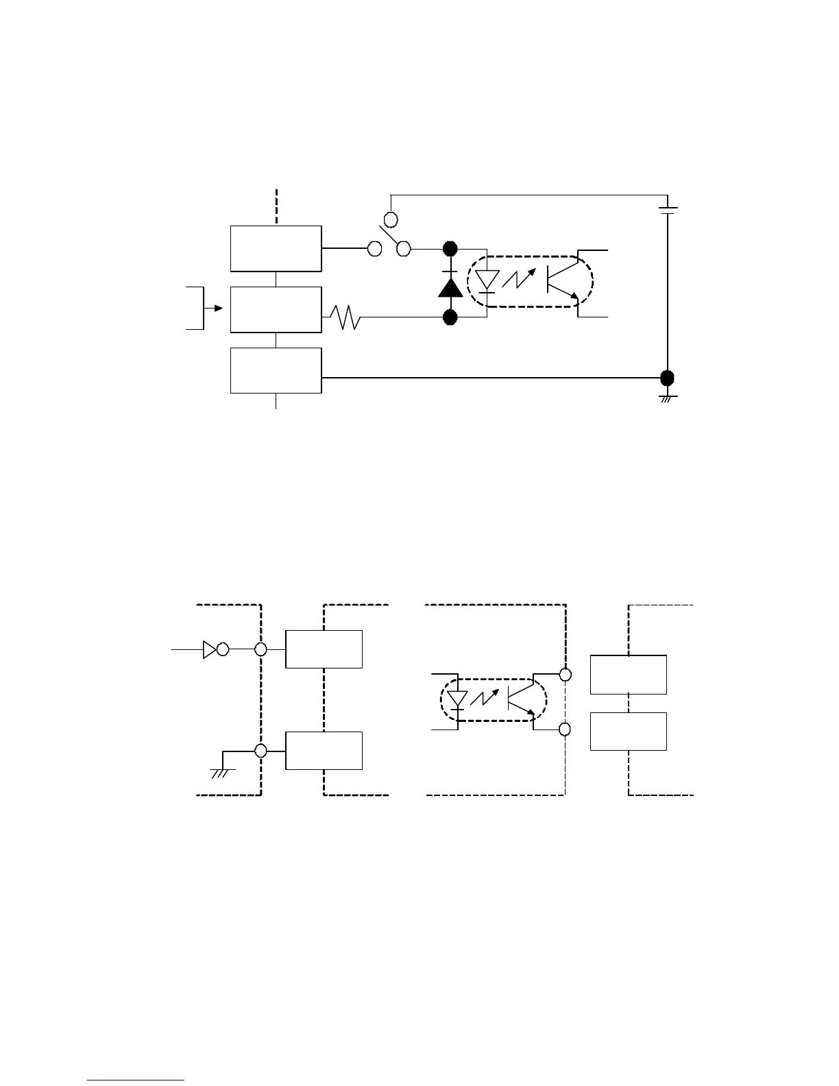
3.Signal input circuit
EXT voltage is 24VDC ± 10%
Using internal power supply control
Set S161 jumper at INT. motor cannot operate if S161 jumper
is at EXT.
<Non-contact control>
INPUT
COM
INPUT
EXG
EXT.
INT.
S161 jumper
Photocoupler
CF
CW
CCW
29
INPUT
EXG
Photocoupler
BL Drivers Controller
INPUT
EXG
BL DriversController
Compatible with
TTL 7406

Related product manuals