EasyManua.ls Logo

Advanced Poly-Packaging T-1000 - Page 88

Advanced Poly-Packaging T-1000
142 pages
Print Icon
To Next Page IconTo Next Page
To Next Page IconTo Next Page
To Previous Page IconTo Previous Page
To Previous Page IconTo Previous Page
Loading...
87
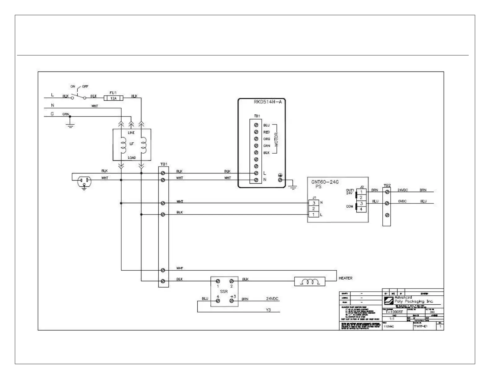
110V Circuit
T1kST-E1-110VAC

Table of Contents

Other manuals for Advanced Poly-Packaging T-1000