EasyManua.ls Logo

Advanced Poly-Packaging T-1000 - Page 89

Advanced Poly-Packaging T-1000
142 pages
Print Icon
To Next Page IconTo Next Page
To Next Page IconTo Next Page
To Previous Page IconTo Previous Page
To Previous Page IconTo Previous Page
Loading...
88
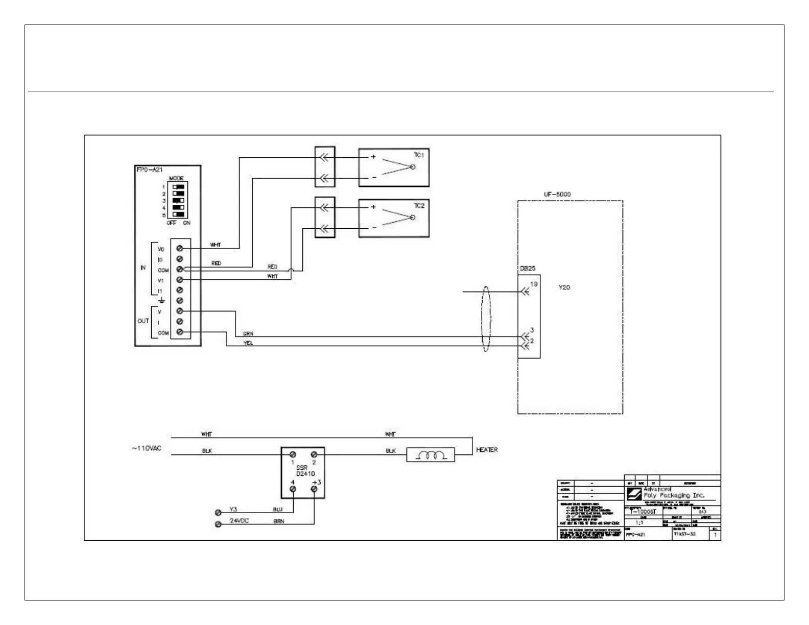
Analog Card, Temperature Controller, Heater Circuit
T1kST-E32_A21

Table of Contents

Other manuals for Advanced Poly-Packaging T-1000