EasyManua.ls Logo

Advanced Poly-Packaging T-1000 - Page 96

Advanced Poly-Packaging T-1000
142 pages
Print Icon
To Next Page IconTo Next Page
To Next Page IconTo Next Page
To Previous Page IconTo Previous Page
To Previous Page IconTo Previous Page
Loading...
95
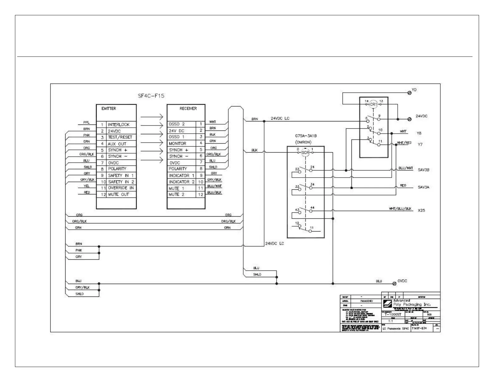
Panasonic Light Curtain
T1kST-E34_LC_Panasonic SF4C

Table of Contents

Other manuals for Advanced Poly-Packaging T-1000