EasyManua.ls Logo

Advanced Poly-Packaging T-1000 - Page 97

Advanced Poly-Packaging T-1000
142 pages
Print Icon
To Next Page IconTo Next Page
To Next Page IconTo Next Page
To Previous Page IconTo Previous Page
To Previous Page IconTo Previous Page
Loading...
96
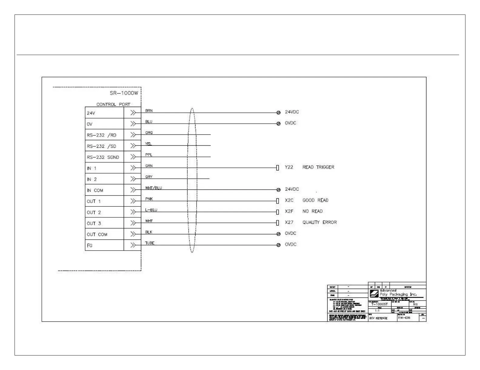
Barcode Verifier
T1kST-E35_BCV_Keyence SR

Table of Contents

Other manuals for Advanced Poly-Packaging T-1000