EasyManua.ls Logo

AERMEC AER Connect - Page 118

AERMEC AER Connect
Print Icon
To Next Page IconTo Next Page
To Next Page IconTo Next Page
To Previous Page IconTo Previous Page
To Previous Page IconTo Previous Page
Loading...
10
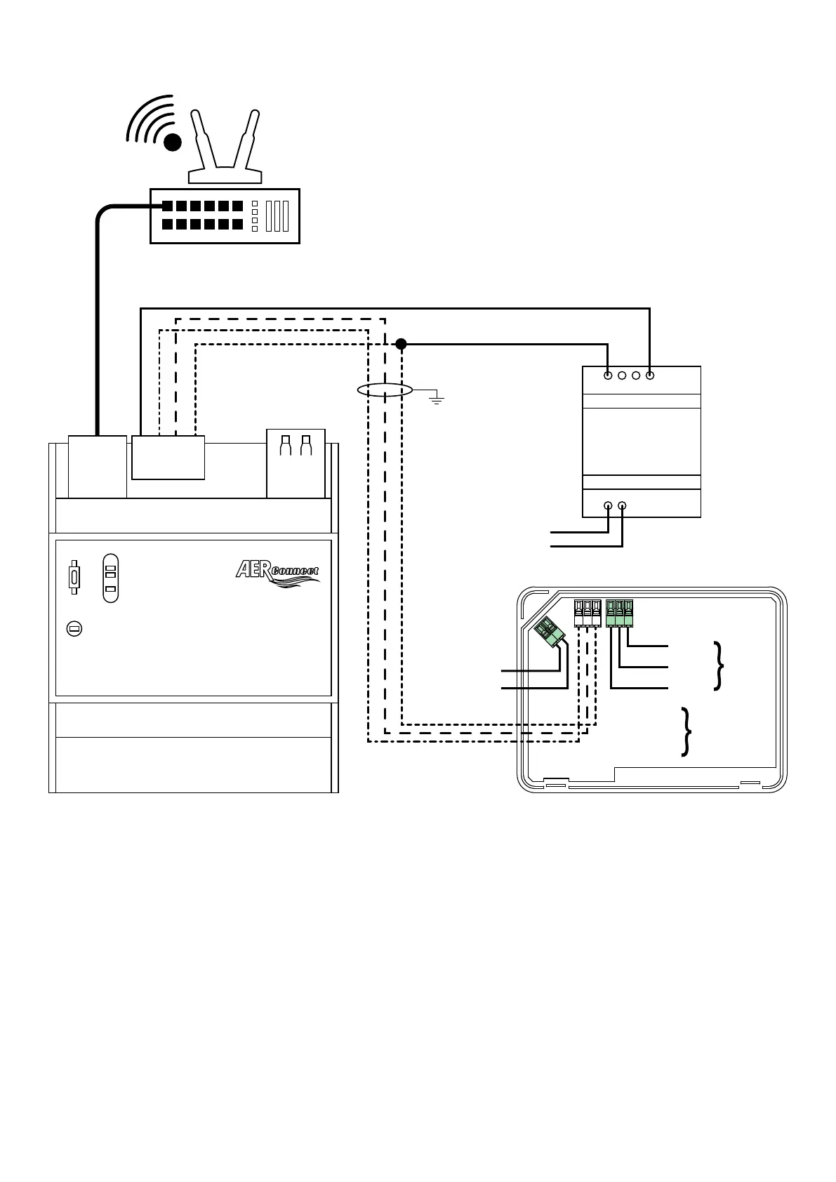
2.6 CONEXIÓN ENTRE AERCONNECT Y VMF-E6
Si los sistemas gestionados por los VMF-E6 están conectados directamente al accesorio AERCONNECT, las conexiones deberán ser las siguientes:
GND
TX- (B)
TX+ (A)
RS485
(VMF)
GND
TX- (B)
TX+ (A)
RS485
(BMS)
+12Vcc/24Vac
-12Vcc/24Vac
VMF-E6
SL
SL2
PI
+ A B -
1 2
5 6
3 4
L
N
KB-POW60-3M
ATENCIÓN:
El accesorio AERCONNECT deberá estar conectado al alimentador que se proporciona con el equipo.
El cable si la conexión es entre VMF-E6 y ETHERNET-RS485 deberá estar conectado a tierra en uno solo de los extremos.
El cable de conexión entre VMF-E6 y ETHERNET-RS485 deberá ser un cable apantallado multipolar con sección mínima de 0,3255mm
2
.