EasyManua.ls Logo

AERMEC AER Connect - Page 91

AERMEC AER Connect
Print Icon
To Next Page IconTo Next Page
To Next Page IconTo Next Page
To Previous Page IconTo Previous Page
To Previous Page IconTo Previous Page
Loading...
10
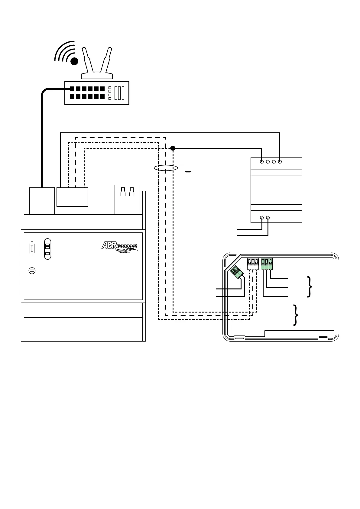
2.6 VERBINDUNG ZWISCHEN AERCONNECT UND VMF-E6
Sollten die von VMF-E6 verwalteten Systeme direkt mit dem Zubehörteil AERCONNECT verbunden sein, müssen die Anschlüsse folgende sein:
GND
TX- (B)
TX+ (A)
RS485
(VMF)
GND
TX- (B)
TX+ (A)
RS485
(BMS)
+12Vcc/24Vac
-12Vcc/24Vac
VMF-E6
SL
SL2
PI
+ A B -
1 2
5 6
3 4
L
N
KB-POW60-3M
ACHTUNG:
das Zubehörteil AERCONNECT muss an das mitgelieferte Netzteil angeschlossen werden;
das Verbindungskabel zwischen VMF-E6 und ETHERNET-RS485 darf nur an einem Ende geerdet sein;
Das Verbindungskabel zwischen VMF-E6 und ETHERNET-RS485 muss ein mehrpoliges abgeschirmtes Kabel mit einem Mindestquerschnitt von 0,3255 mm sein
2
;