EasyManua.ls Logo

Agilent Technologies 8753ES - Connect the Ecal Equipment

Agilent Technologies 8753ES
479 pages
Print Icon
To Next Page IconTo Next Page
To Next Page IconTo Next Page
To Previous Page IconTo Previous Page
To Previous Page IconTo Previous Page
Loading...
6-58
Calibrating for Increased Measurement Accuracy
Calibrating Using Electronic Calibration (ECal)
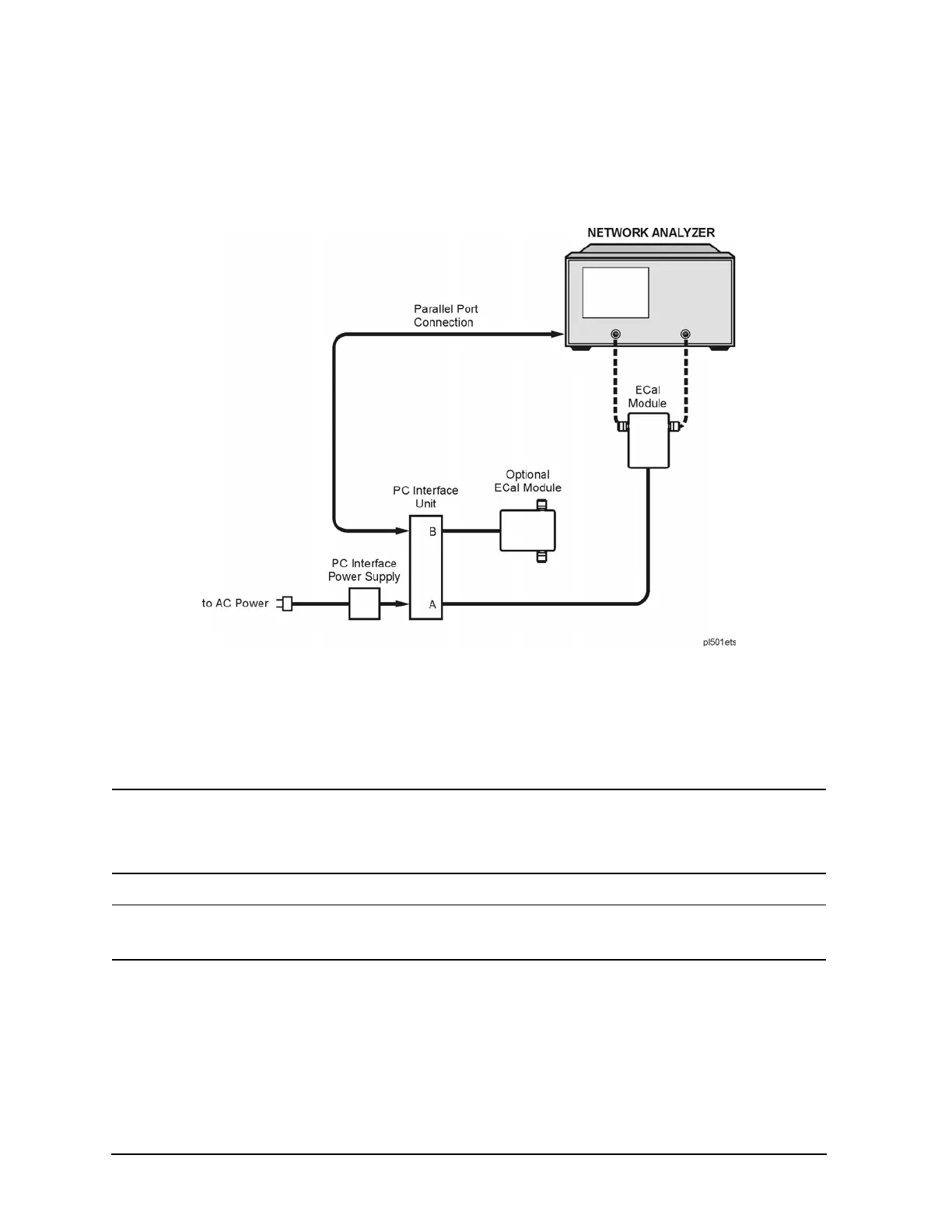
Connect the ECal Equipment
1. Connect the power supply to the PC interface unit. Refer to Figure 6-21.
Figure 6-21 ECal Setup
2. Connect the power supply to the ac source.
3. Connect one end of a DB25 cable to the Parallel Port connector on the rear of the network analyzer.
Connect the other end of the DB25 cable to the connector on the PC interface unit labeled "DB25
Interface to Parallel Interface on Personal Computer."
CAUTION Only connect the DB25 cable to the Parallel Port connector of the network analyzer.
If the cable is connected to the Test Set - I/O Interconnect connector, damage to the PC
interface unit could occur.
NOTE For steps 3 through 5, use the three DB25 cables (part number 8120-8710) shipped with the
85097A Electronic Calibration System. Other cables may not give reliable results.
4. Connect one end of a DB25 cable to the connector on the PC interface unit labeled "DB25 Interface to
ECal Module A." Connect the other end of the DB25 cable to the parallel cable connector on the ECal
module.

Table of Contents

Other manuals for Agilent Technologies 8753ES

Related product manuals