EasyManua.ls Logo

Alinx AXKU040 - Part 5.3: 156.25 Mhz Differential Clock Source

Default Icon
59 pages
Print Icon
To Next Page IconTo Next Page
To Next Page IconTo Next Page
To Previous Page IconTo Previous Page
To Previous Page IconTo Previous Page
Loading...
KINTEX UltraScale+ FPGA Board AXKU040 User Manual
17 / 59
www.alinx.com
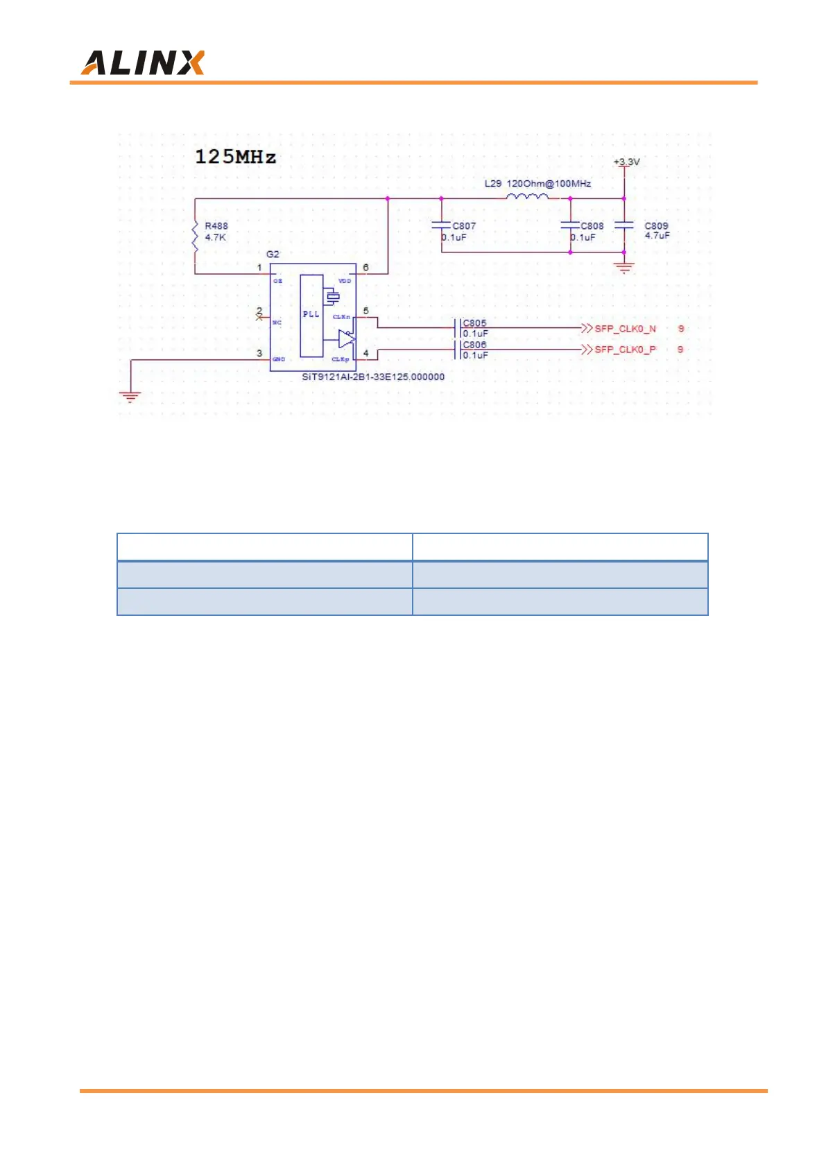
5-2.
Figure 5-2: 125Mhz System Clock Source Schematic
System Clock pin assignments:
Signal Name
FPGA Pin
SFP_CLK0_P
AF6
SFP_CLK0_N
AF5
Part 5.3: 156.25Mhz differential clock source
A differential 156.25MHz clock source is provided on the FPGA
development board to provide the clock to the FPGA Transceiver GTH. The
crystal differential output is connected to the FPGA BANK228. The schematic
diagram of the clock source is shown in Figure 5-3.

Related product manuals