EasyManua.ls Logo

Alinx AXKU040 - Page 18

Default Icon
59 pages
Print Icon
To Next Page IconTo Next Page
To Next Page IconTo Next Page
To Previous Page IconTo Previous Page
To Previous Page IconTo Previous Page
Loading...
KINTEX UltraScale+ FPGA Board AXKU040 User Manual
18 / 59
www.alinx.com
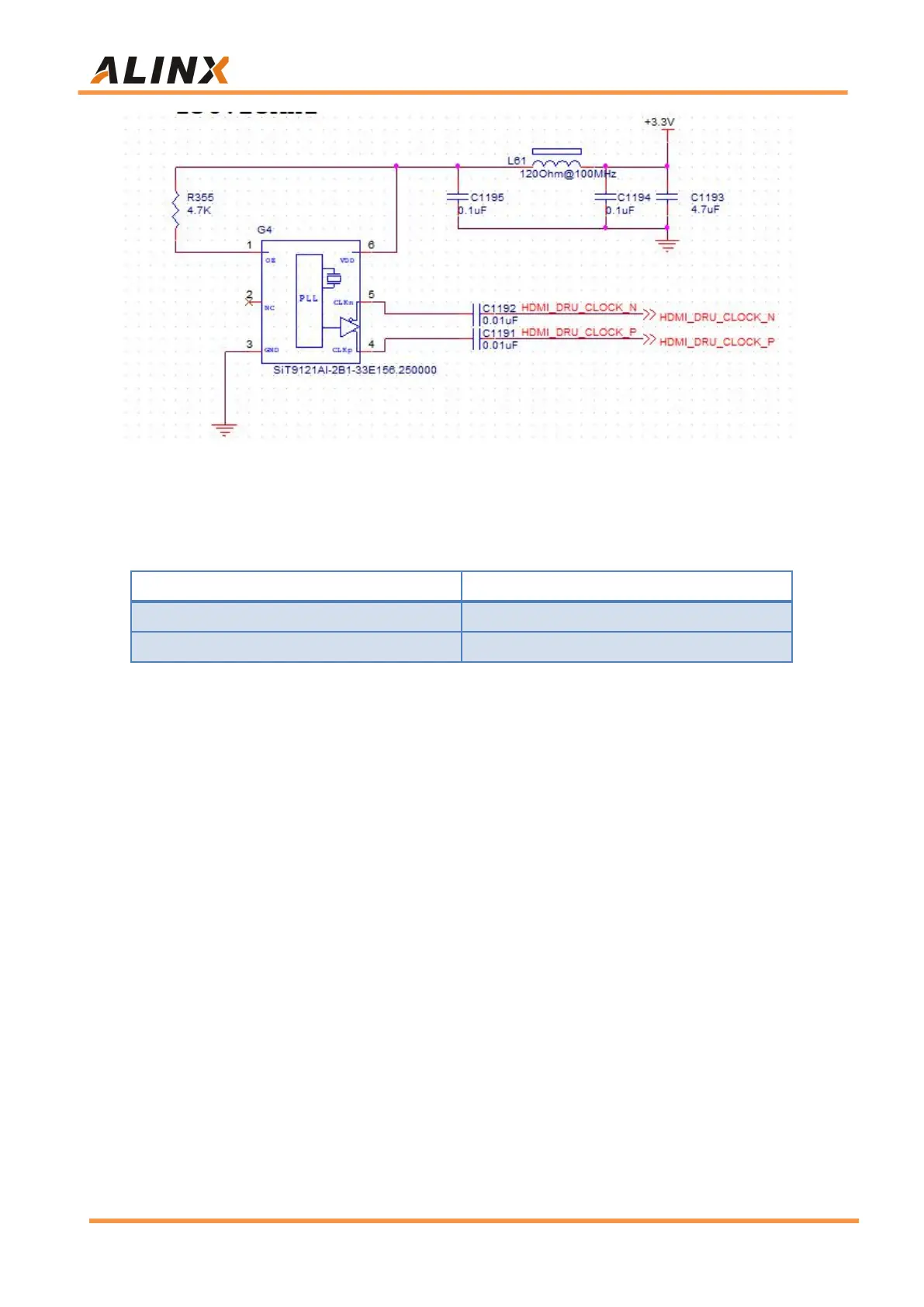
Figure 5-1: 156.25Mhz System Clock Source Schematic
System Clock pin assignments:
Signal Name
FPGA Pin
HDMI_DRU_CLOCK_P
H6
HDMI_DRU_CLOCK_N
H5

Related product manuals