EasyManua.ls Logo

Allied Systems Freeman 370 - Engine Belly Pan Mounting

Allied Systems Freeman 370
108 pages
Print Icon
To Next Page IconTo Next Page
To Next Page IconTo Next Page
To Previous Page IconTo Previous Page
To Previous Page IconTo Previous Page
Loading...
Engine Installation, 37X
Page 3 of 4
Engine Installation, 37X
Page 3 of 4
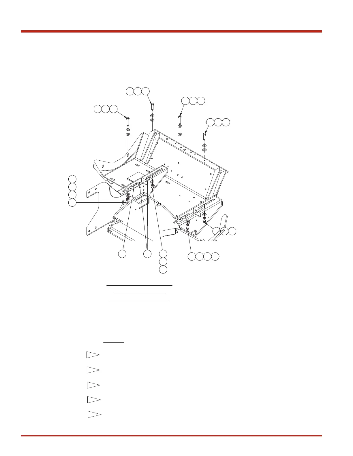
ENGINE BELLY PAN
TO FRONT END
ASSY. MOUNTING
29 27
28
29
27
28
28
29
27
28
28
30
28
28
26
28
28
30 28 28
26
28
28
6
29
29
27
28
NOTES:
MOUNT BATTERY GROUND CABLE TO
THIS FASTENER ON THE ENGINE.
GEARBOX BALER ONLY:
ROUTE GROUND WIRE BEHIND ENGINE TO BATTERY.
SEE TABLE FOE RECOMENDED BELT DEFLECTION
AND DOWNWARD FORCE AT CENTER OF BELT SPAN.
FOR GEARBOX BALER ENSURE ENGINE PUMP IS PRIMED PRIOR
TO STARTING ENGINE. CAN FILL HYDRAULIC RESERVOIR AND
LET SIT FOR 8 HRS TO PRIME PUMP.
906189 ASSY SHOWN.
2-1
2-2
2-3
2-4
2X 2X
2-5
18
89-096 Rev: 11-2016

Table of Contents