EasyManua.ls Logo

Alpha 6000S series - Page 22

Alpha 6000S series
221 pages
Print Icon
To Next Page IconTo Next Page
To Next Page IconTo Next Page
To Previous Page IconTo Previous Page
To Previous Page IconTo Previous Page
Loading...
Chapter 2 Installation and Wiring
21
X1~X6
R
COM
+24V
24V
5V
PLC
+
-
K
+
-
DC
R
+24V
5V
+
-
K
+
-
DC
24V1
PLC1
X7~X10
COM1
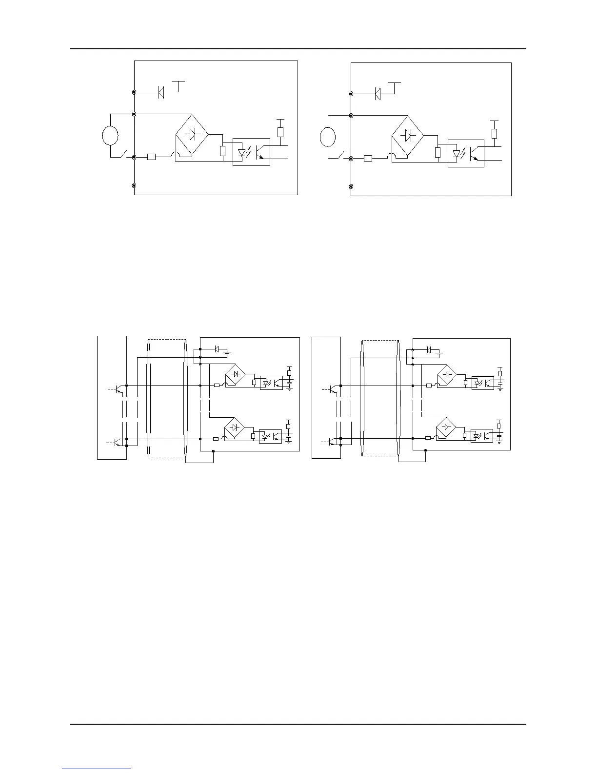
Fig. 2-19 Connection diagram while using an external
power supply (control board)
NOTE: Remove the short jumper JP1 connecting
internal PLC and 24V
Fig. 2-20 Connection diagram while using outside
power supply (extension board)
NOTE: Remove the short jumper JP1 connecting
internal PLC1 and 24V1
Source (drain electrode) mode
1 Use internal +24 V power of the inverter. External controller is the connection mode of NPN type common
emitter output, which is shown in Fig. 2-21 (control board) and Fig. 2-22 (extension board).
X1
PE
24V DC
24V
5V
PLC
+
-
外部控制器
COM
5V
+
-
X6
COM
1
6
屏蔽线近端接地
+
-
X7
PE
24V DC
24V1
5V
PLC1
+
-
COM1
5V
+
-
X10
COM
7
10
屏蔽线近端接地
+
-
Fig. 2-21 Connection diagram while using source of
internal + 24V power supply (control board)
Fig. 2-22 Connection diagram while using source of
internal + 24V power supply (extension board)
2 Use internal +24 V power of the inverter. External controller is the connection mode of PNP type common
emitter output, which are shown in Fig. 2- 23 (control board) and Fig. 2-24 (extension board).
External controller
External controller
Near-end of shield
line is grounded
Near-end of shield
line is grounded

Table of Contents

Related product manuals