EasyManua.ls Logo

Amazone Cenius 3003 - Cenius 3503: Adjustment - Concave Discs

Amazone Cenius 3003
80 pages
Print Icon
To Next Page IconTo Next Page
To Next Page IconTo Next Page
To Previous Page IconTo Previous Page
To Previous Page IconTo Previous Page
Loading...
Structure and function
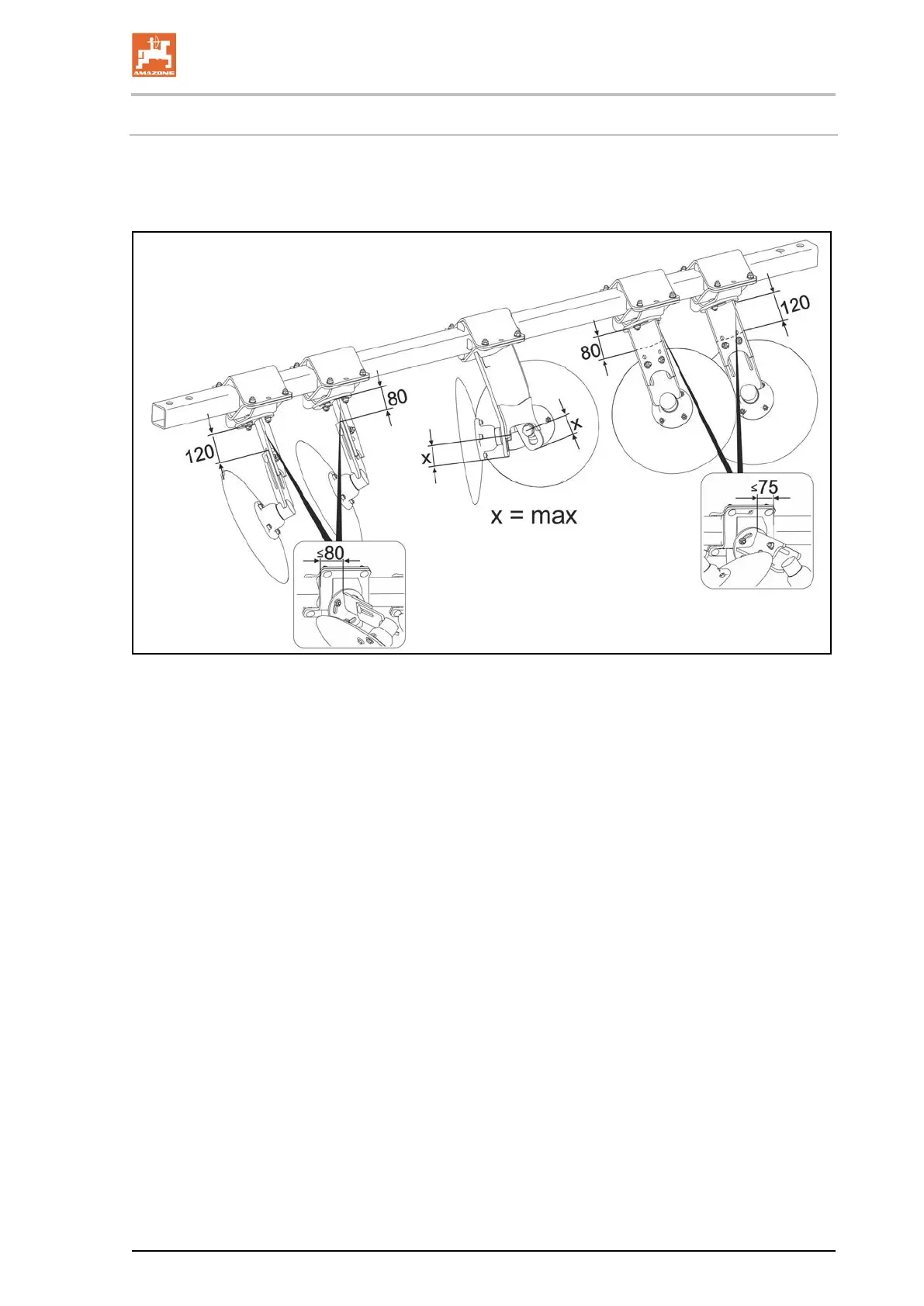
5.5.1 Cenius 3503: Adjustment concave discs
The Cenius 3503 has adjustable concave discs.
The figure shows the standard settings of the
concave discs:
Cenius 03 BAG0144.5 10.19
41

Table of Contents

Related product manuals