EasyManua.ls Logo

Amazone Cenius 3003 - 13 Hydraulic Circuit Diagram

Amazone Cenius 3003
80 pages
Print Icon
To Next Page IconTo Next Page
To Next Page IconTo Next Page
To Previous Page IconTo Previous Page
To Previous Page IconTo Previous Page
Loading...
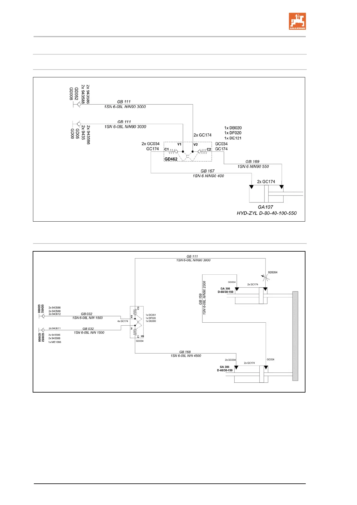
Hydraulic circuit diagram
13 Hydraulic circuit diagram
Depth setting (tines)
Depth setting (levelling
)
78
Cenius 03 BAG0144.5 10.19

Table of Contents

Related product manuals