EasyManua.ls Logo

AMF 90XLi - Sensor Assembly Operation; Sensor Adjustment

Default Icon
62 pages
Print Icon
To Next Page IconTo Next Page
To Next Page IconTo Next Page
To Previous Page IconTo Previous Page
To Previous Page IconTo Previous Page
Loading...
AMF 90XLi PINSPOTTER
400-088-011 Page 2-4 Rev. 10/04
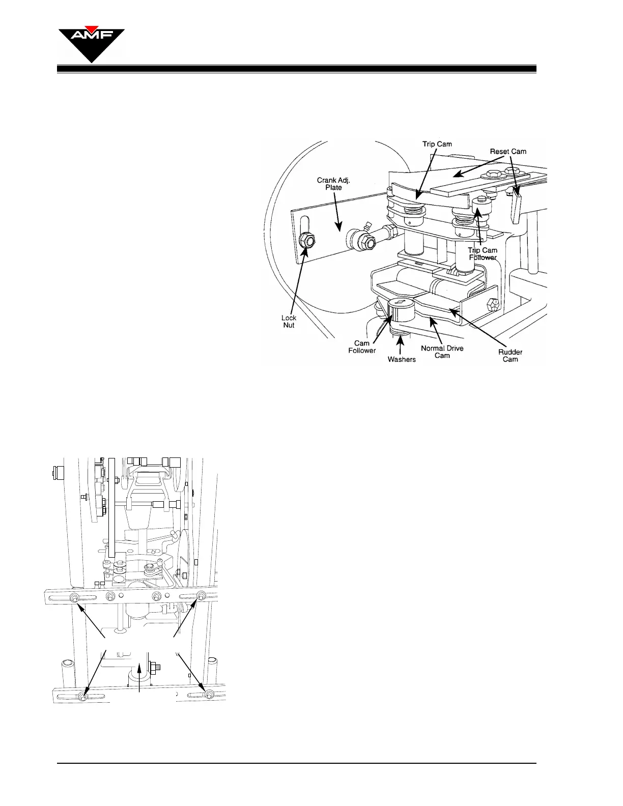
2.5 Sensor Assembly Operation
The cam follower roller must be
low enough so that it will slide
under the rudder cams when
paddle movement is blocked,
but high enough so that the
rudder cams will lock behind it
in the power drive position (see
Figure 2.4). Washers are
included in the assembly for
fine tuning the height of the cam
follower roller.
Figure 2-4
2.6 Sensor Adjustment
1. If the height of the cam follower must be
adjusted:
a. Remove the light ball sensor from the
machine.
b. Disconnect the support plate tension spring.
c. Add or remove washers, as needed,
between the cam follower and the support
plate.
d. Reconnect the support plate tension spring.
e. Reinstall the light ball sensor in the
pinspotter.
2. The ball lift sensor support arm should be
centered between the side plates. Measure
with a ruler. Loosen the mounting bolts and
adjust if necessary (see Figure 2-5).
Figure 2-5
SENSOR - BACK VIEW
Support Arm
Mounting Bolts